Шарнирный кронштейн и кронштейн транца (Модели с усилителем дифферента) — [903F90B & Up] - USA — купить в Victory Marine
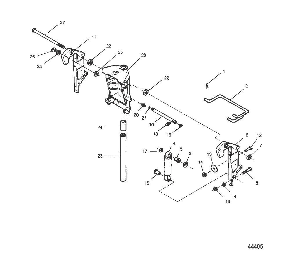
Шарнирный кронштейн и кронштейн транца (Модели с усилителем дифферента)
1
3
4
5
6
7
9
10
11
14
15
16
17
18
19
20
22
23
24
25
26

Шарнирный кронштейн и кронштейн транца (Модели с усилителем дифферента)

1 . ШТИФТ Mercury F525629

F1985 → F525629

592 ₽

Уточняйте

Уточняйте

46 227 ₽

Уточняйте

24 408 ₽

398 ₽

Уточняйте

9 . ШАЙБА Mercury FK684201

F684201 → FK684201

Уточняйте

10 . ГАЙКА (.375-16) Mercury 86226

F1346 → F1347 → FI3600004 → 86226

218 ₽

Уточняйте

Уточняйте

968 ₽

15 . ВТУЛКА Mercury F449362

F178362 → F449362

865 ₽

Уточняйте

Уточняйте

Уточняйте

10 123 ₽

131 ₽

208 ₽

110 ₽

3 097 ₽

Уточняйте

1 942 ₽

Уточняйте

Уточняйте

Уточняйте

Полезные статьи

Все статьи →
Связаться с нами