Рычажный механизм — [0G760300 THRU 0T408999] - USA — купить в Victory Marine
Рычажный механизм
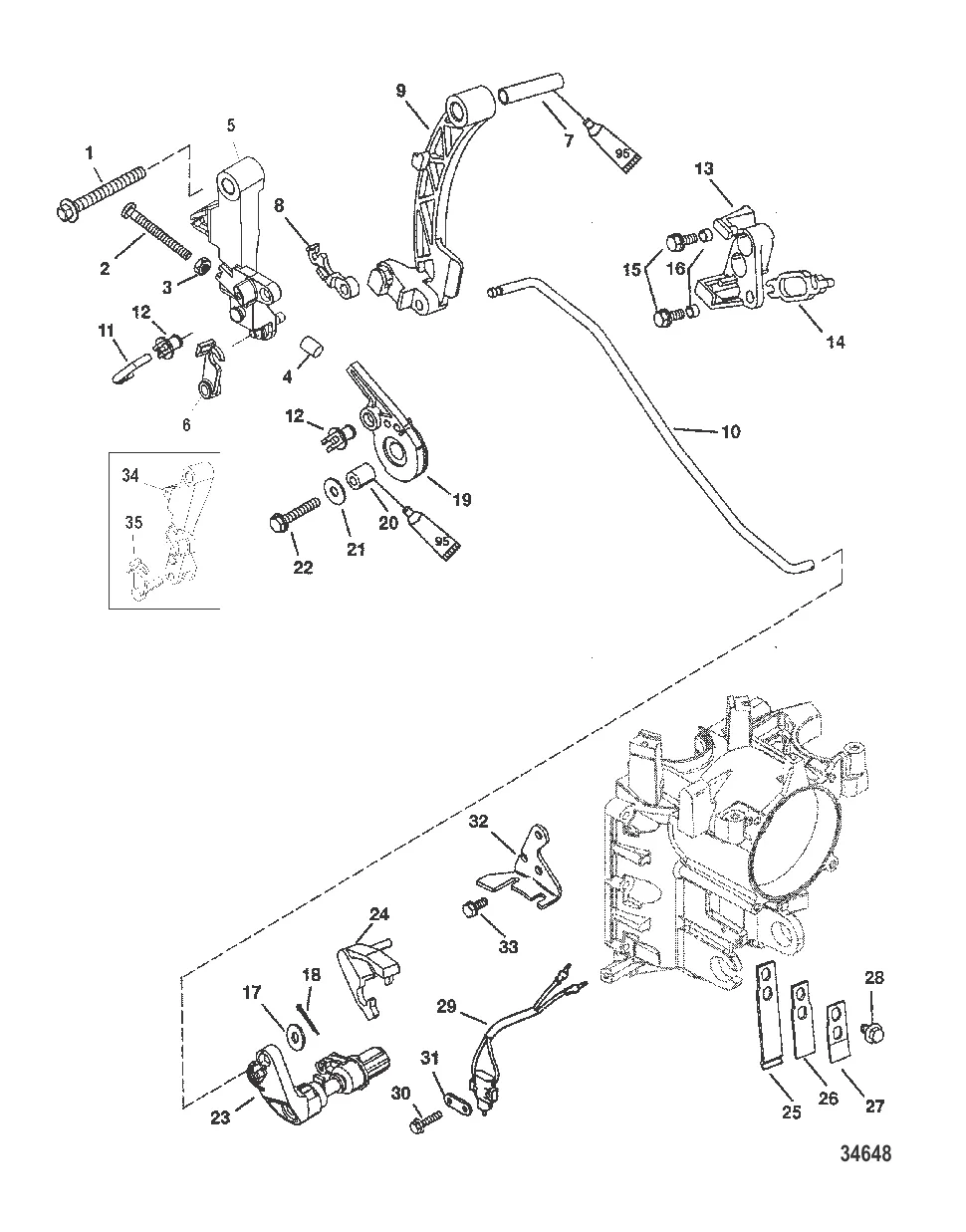
1
2
3
4
6
7
8
10
11
12
13
14
16
18
19
20
24
25
26
27
28
29
30
31
32
33
35

Рычажный механизм

890 ₽

410 ₽

329 ₽

289 ₽

1 190 ₽

4 294 ₽

3 021 ₽

5 724 ₽

5 813 ₽

2 176 ₽

12 . Втулка 932481

93248 → 932481

946 ₽

4 491 ₽

403 ₽

1 808 ₽

113 ₽

467 ₽

3 048 ₽

618 ₽

46 ₽

1 009 ₽

18 635 ₽

2 691 ₽

2 821 ₽

576 ₽

2 098 ₽

321 ₽

8 924 ₽

208 ₽

1 235 ₽

32 . КРОНШТЕЙН Mercury 8214943

8214942 → 8214941 → 821494 → 8214943

1 929 ₽

33 . Болт 8248324

82304213 → 804368 → 8248324

194 ₽

34 . РЫЧАГ В СБОРЕ Дроссельная заслонка Mercury 822682A4

8226823 → 8226822 → 8226821 → 822682 → 822682A4

6 523 ₽

Уточняйте

Полезные статьи

Все статьи →
Связаться с нами