РЫЧАГ РУЛЕВОГО МЕХАНИЗМА — [0P094500 THRU 0P206999] - Belgium — купить в Victory Marine
РЫЧАГ РУЛЕВОГО МЕХАНИЗМА
1
5
6
8
10
11
12
14
15
17
18
20
21
22
23
26
30

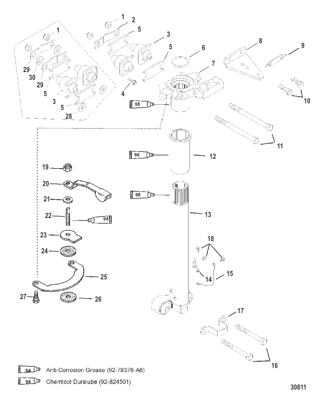
РЫЧАГ РУЛЕВОГО МЕХАНИЗМА

1 . ГАЙКА (M12) Mercury 896963

859129 → 90099 → 400647 → 896963

721 ₽

15 245 ₽

4 . ВИНТ (M6 x 1.0 x 20) Mercury 8M4503518

40011128 → 1994020 → 8M4503518

394 ₽

5 . SNUBBER 8M0156878

826658 → 8M0156878

1 426 ₽

1 530 ₽

62 772 ₽

Уточняйте

791 ₽

474 ₽

3 266 ₽

4 600 ₽

13 . ПОВОРОТНАЯ ТРУБКА Mercury 893590T04

893590T02 → 826233T2 → 826233A2 → 826233F5 → 893590T04

Уточняйте

4 494 ₽

15 . Провод 88238A13

8M0007781 → 88238A13

Уточняйте

1 354 ₽

4 219 ₽

152 ₽

19 . ГАЙКА (0.375-24), латунь Mercury 8M0042636

826709113 → 34863 → 20509 → 8M0042636

Уточняйте

4 512 ₽

116 ₽

1 794 ₽

2 962 ₽

3 954 ₽

26 . ДИСК Mercury 8165621

816562 → 8165621

2 353 ₽

387 ₽

3 898 ₽

244 ₽

Полезные статьи

Все статьи →
Связаться с нами