Рычаг газа и кулачок дроссельной заслонки в сборе — ВОДОМЕТНЫЙ ПРИВОД 210 КАРБ. M2 (НАСОС) — купить в Victory Marine
Рычаг газа и кулачок дроссельной заслонки в сборе
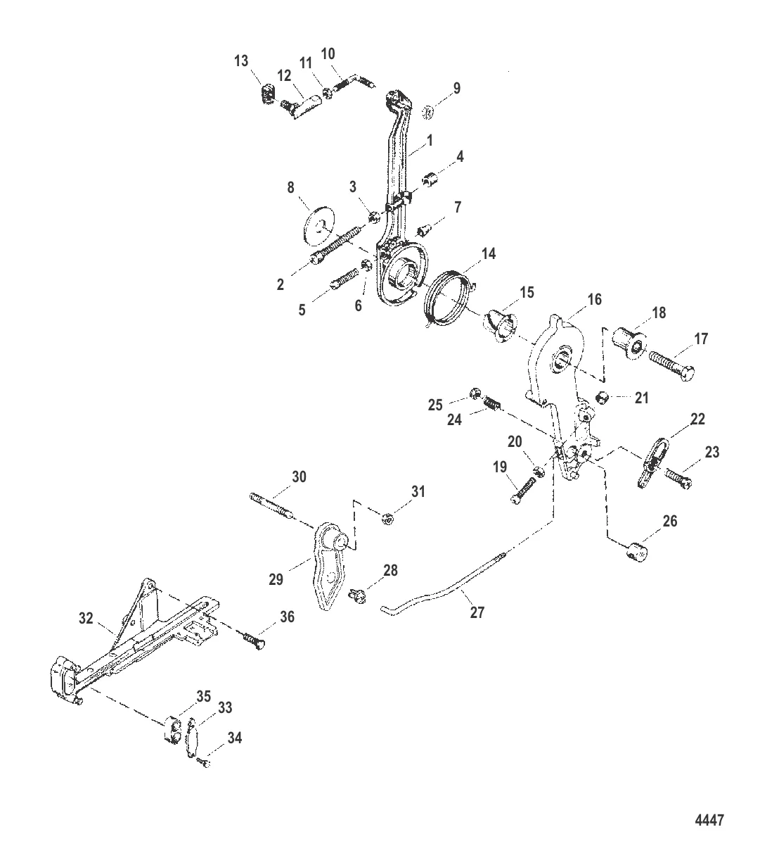
1
5
6
7
8
9
10
11
12
13
14
15
16
17
18
19
20
21
22
23
24
26
27
28
29
30
32
33
34
35

Рычаг газа и кулачок дроссельной заслонки в сборе

13 926 ₽

358 ₽

6 . Гайка 68219

20645 → 33252 → 68219

72 ₽

564 ₽

1 522 ₽

9 . ГАЙКА (№10-32) Mercury 46438

20565 → 37806 → 20652 → 46438

684 ₽

1 618 ₽

201 ₽

2 900 ₽

13 . PIVOT Mercury 74897T

74897 → 74897T

1 815 ₽

594 ₽

1 080 ₽

13 166 ₽

647 ₽

2 057 ₽

448 ₽

20 . ГАЙКА (0.250-20) Mercury 64015

F1341 → F15051 → 64015

266 ₽

565 ₽

1 068 ₽

248 ₽

530 ₽

206 ₽

27 . ШТОК Mercury 8302391

830239 → 8302391

978 ₽

28 . Втулка 932481

93248 → 932481

946 ₽

1 246 ₽

Уточняйте

363 ₽

8 899 ₽

403 ₽

252 ₽

737 ₽

339 ₽

Полезные статьи

Все статьи →
Связаться с нами