Рычаг дроссельной заслонки / кулачок дроссельной заслонки в сборе — [0E373939 THRU 0E384499] - USA — купить в Victory Marine
Рычаг дроссельной заслонки / кулачок дроссельной заслонки в сборе
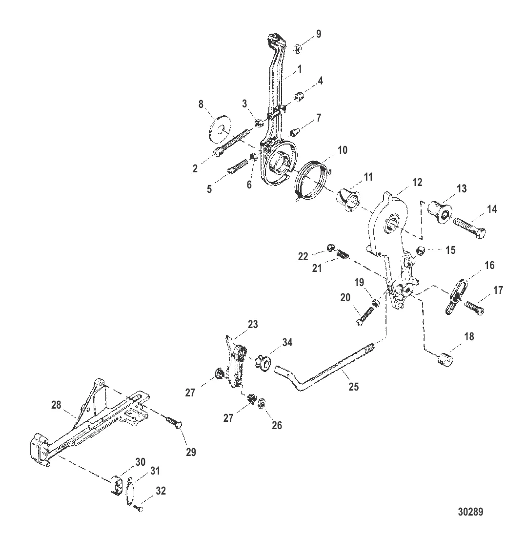
1
5
6
7
8
9
10
11
12
13
14
15
16
17
18
19
20
21
23
25
27
28
29
30
31
32

Рычаг дроссельной заслонки / кулачок дроссельной заслонки в сборе

13 926 ₽

358 ₽

6 . Гайка 68219

20645 → 33252 → 68219

72 ₽

564 ₽

1 522 ₽

9 . ГАЙКА (№10-32) Mercury 46438

20565 → 37806 → 20652 → 46438

684 ₽

594 ₽

1 080 ₽

13 166 ₽

2 057 ₽

647 ₽

565 ₽

1 068 ₽

248 ₽

206 ₽

19 . ГАЙКА (0.250-20) Mercury 64015

F1341 → F15051 → 64015

266 ₽

448 ₽

530 ₽

23 . THROTTLE CAM Mercury 8142392

8142391 → 8142392

5 179 ₽

4 192 ₽

363 ₽

547 ₽

10 257 ₽

191 ₽

737 ₽

403 ₽

252 ₽

Полезные статьи

Все статьи →
Связаться с нами