Рулевой механизм с усилителем Бачок, шланги и монтаж — 3.0L VM 150 V6 SD — купить в Victory Marine
Рулевой механизм с усилителем Бачок, шланги и монтаж
1
2
3
4
5
6
8
9
10
11
12
13
15
18
19
20
21
22

Рулевой механизм с усилителем Бачок, шланги и монтаж

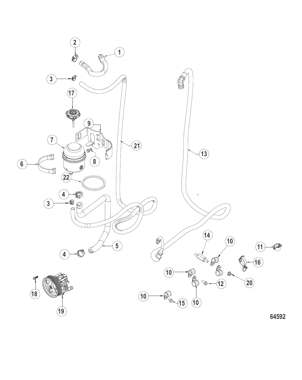
1 . TUBE 8M0129883

8M0129883

9 947 ₽

2 . CLAMP 8M0129902

854177001 → 8M0129902

215 ₽

3 . CLAMP 8M0129901

896332106 → 8M0129901

177 ₽

968 ₽

5 . HOSE 8M0129857

8M0129857

5 613 ₽

602 ₽

11 262 ₽

8 . ВИНТ Mercury 898101550

896332173 → 898101550

42 ₽

17 076 ₽

444 ₽

1 777 ₽

12 . ВИНТ Mercury 898101555

854118001 → 854118 → 809913644 → 898101555

65 ₽

13 . HOSE (PAINT) 8M0164872

8M0129856 → 8M0164872

30 152 ₽

15 . ВИНТ Mercury 898101554

879286 → 898101554

67 ₽

3 342 ₽

99 ₽

19 . Насос ГУР 8M0150113

898101502 → 8M0150113

57 465 ₽

Уточняйте

18 040 ₽

800 ₽

Полезные статьи

Все статьи →
Связаться с нами