Рукоятка рулевого механизма — [0N056165 & Up] — купить в Victory Marine
Рукоятка рулевого механизма
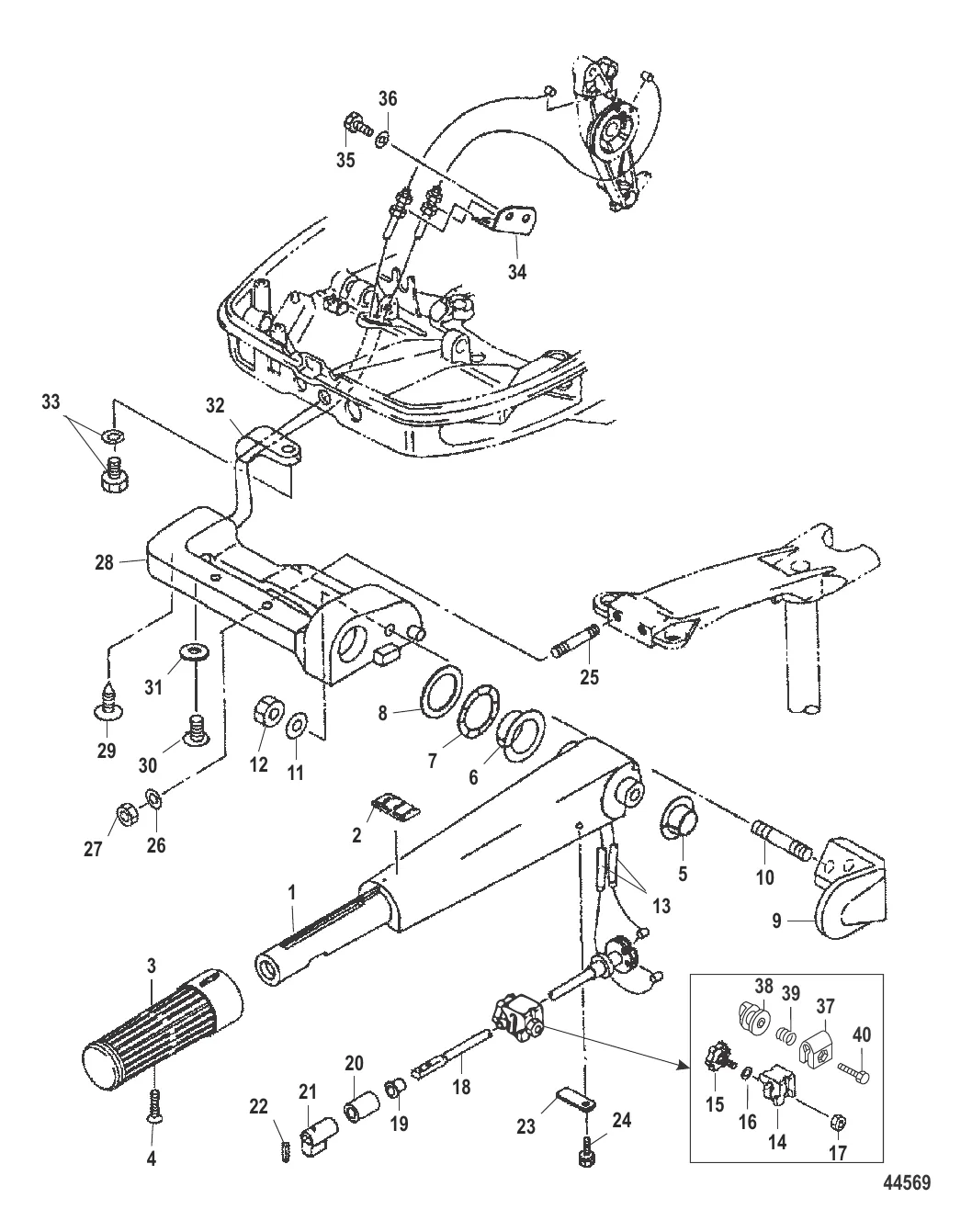
1
2
3
4
5
6
7
8
9
10
11
12
13
14
15
17
18
19
20
21
22
23
24
25
26
27
28
29
30
31
32
34
35
37
38
39
40

Рукоятка рулевого механизма

1 . Ручка Mercury 803996T04

803996004 → 803996T04

7 525 ₽

11 962 ₽

152 ₽

3 609 ₽

786 ₽

340 ₽

737 ₽

548 ₽

8 . ШАЙБА Mercury 804508

804016 → 804508

254 ₽

9 . HOLDER, TILLER Mercury 8M0077708

803997A1 → 8M0077708

8 442 ₽

648 ₽

191 ₽

12 . ГАЙКА Mercury 85372215

898101121 → 85372215

164 ₽

3 007 ₽

291 ₽

511 ₽

133 ₽

257 ₽

2 760 ₽

245 ₽

268 ₽

398 ₽

147 ₽

251 ₽

24 . БОЛТ (M6 x 12) Mercury 8230427

879194261 → 82304234 → 8230427

171 ₽

1 461 ₽

25 . шпилька Mercury 879194297

811654002 → 879194297

837 ₽

26 . ШАЙБА Mercury 16192

879194339 → 895106001 → 16192

167 ₽

183 ₽

519 ₽

1 264 ₽

11 155 ₽

8 895 ₽

184 ₽

30 . винт Mercury 879194328

810755003 → 879194328

96 ₽

31 . Шайба 953921

16237 → 16224 → 953921

284 ₽

537 ₽

659 ₽

205 ₽

530 ₽

38 . ГАЙКА Mercury 8M0051383

892776 → 8M0051383

939 ₽

39 . Пружина 8M0051384

892777 → 8M0051384

542 ₽

40 . ВИНТ (M6 x 25) Mercury 4000330

16166 → 879194250 → 823042039 → 4000330

Уточняйте

Полезные статьи

Все статьи →
Связаться с нами