РУЧНОЙ СТАРТЕР — [677-702821 & Up] — купить в Victory Marine
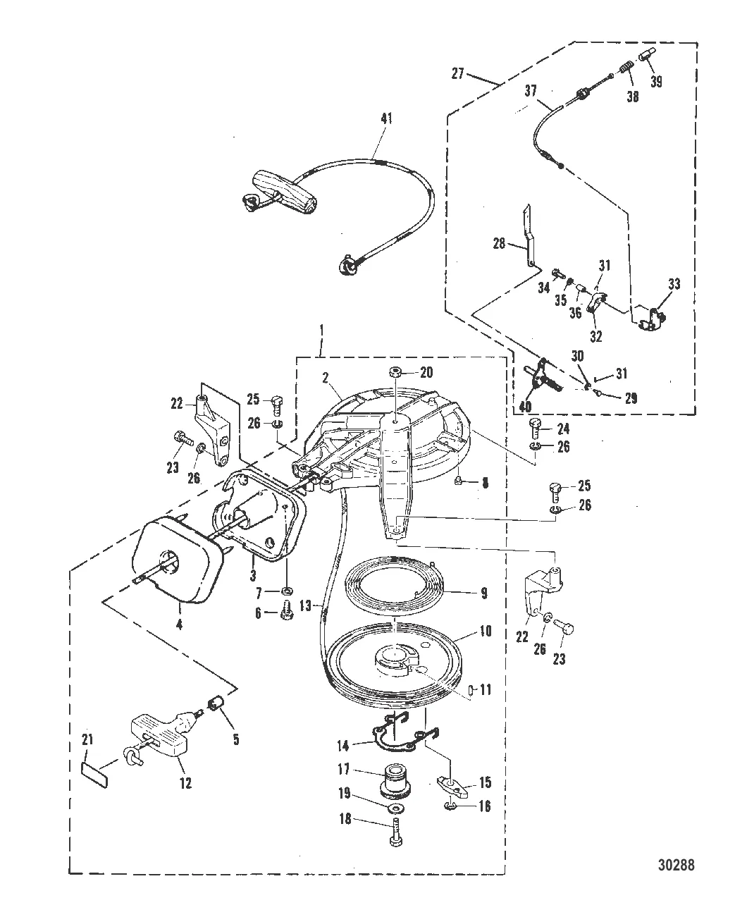
РУЧНОЙ СТАРТЕР
2
3
4
5
6
8
9
10
11
12
14
15
16
17
19
20
21
22
23
24
26
28
29
30
31
32
33
34
35
36
37
38
39
40

РУЧНОЙ СТАРТЕР

Уточняйте

8 491 ₽

Уточняйте

Уточняйте

175 ₽

6 . БОЛТ Mercury 826957M

91725M → 83395M → 826957M

Уточняйте

Уточняйте

Уточняйте

5 482 ₽

11 . ШТИФТ Mercury 82157M

91785M → 82157M

Уточняйте

Уточняйте

13 . Стартерная веревка 12066Q10

12066Q9 → 12066A9 → 12066 → 45093 → 12066Q10

1 069 ₽

Уточняйте

1 408 ₽

302 ₽

Уточняйте

Уточняйте

20 . ГАЙКА Mercury 82389M

82380M → 82389M

Уточняйте

Уточняйте

Уточняйте

23 . БОЛТ Mercury 82423M

82451M → 82423M

Уточняйте

24 . БОЛТ Mercury 83285M

82411M → 83285M

103 ₽

26 . ШАЙБА Mercury 82214M

82199M → 82214M

22 ₽

Уточняйте

Уточняйте

Уточняйте

Уточняйте

388 ₽

Уточняйте

Уточняйте

703 ₽

35 . ШАЙБА Mercury 83769M

81795M → 83769M

Уточняйте

Уточняйте

Уточняйте

Уточняйте

Уточняйте

Уточняйте

2 310 ₽

Полезные статьи

Все статьи →
Связаться с нами