Ручной наклон Серийный номер 0N096057 и ниже — [0N056165 & Up] — купить в Victory Marine
Ручной наклон Серийный номер 0N096057 и ниже
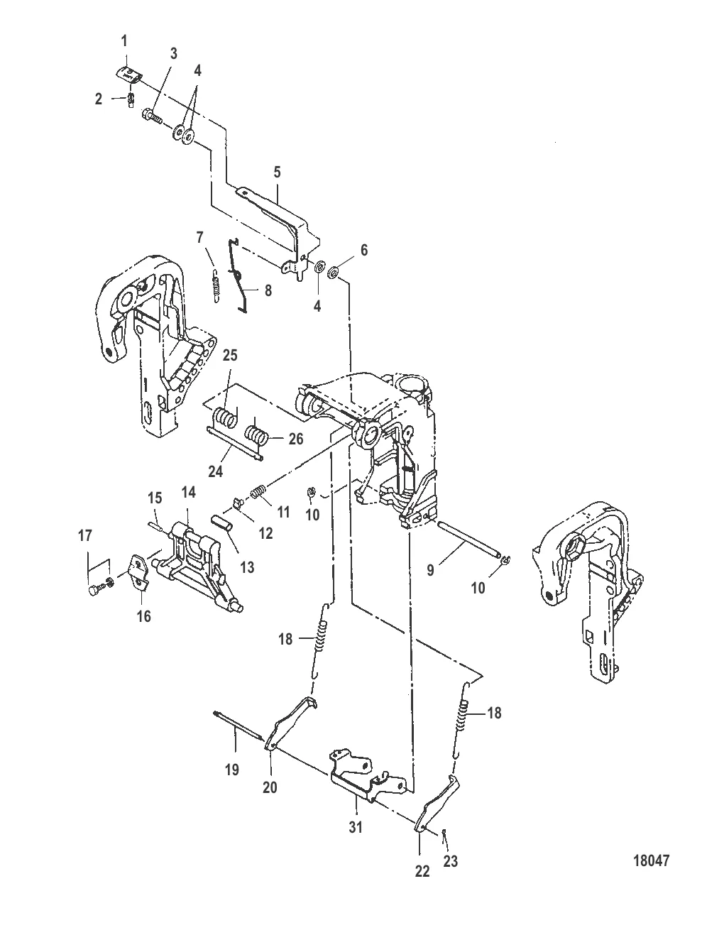
1
2
3
6
7
8
9
10
11
12
13
15
16
17
18
19
20
22
23
24
25
26

Ручной наклон Серийный номер 0N096057 и ниже

685 ₽

2 . STOPPER Mercury 8M0051399

853776 → 8M0051399

308 ₽

1 458 ₽

133 ₽

Уточняйте

6 . Шайба 953921

16237 → 16224 → 953921

284 ₽

738 ₽

924 ₽

951 ₽

186 ₽

364 ₽

226 ₽

147 ₽

14 . СТОПОР Наклон Mercury 825112008

825112007 → 825112006 → 8251125 → 825112008

6 439 ₽

167 ₽

16 . SET PLATE Mercury 879194006

162101 → 879194006

948 ₽

17 . болт Mercury 8M0098607

879194272 → 8M0098607

323 ₽

1 557 ₽

1 558 ₽

879 ₽

1 803 ₽

1 803 ₽

157 ₽

2 015 ₽

25 . пружина Mercury 824024012

804024009 → 824024012

5 713 ₽

26 . пружина Mercury 824024011

804024010 → 824024011

5 712 ₽

Полезные статьи

Все статьи →
Связаться с нами