Ручной наклон Серийный номер 0N096057 и ниже — [0N056165 & Up] — купить в Victory Marine
Ручной наклон Серийный номер 0N096057 и ниже
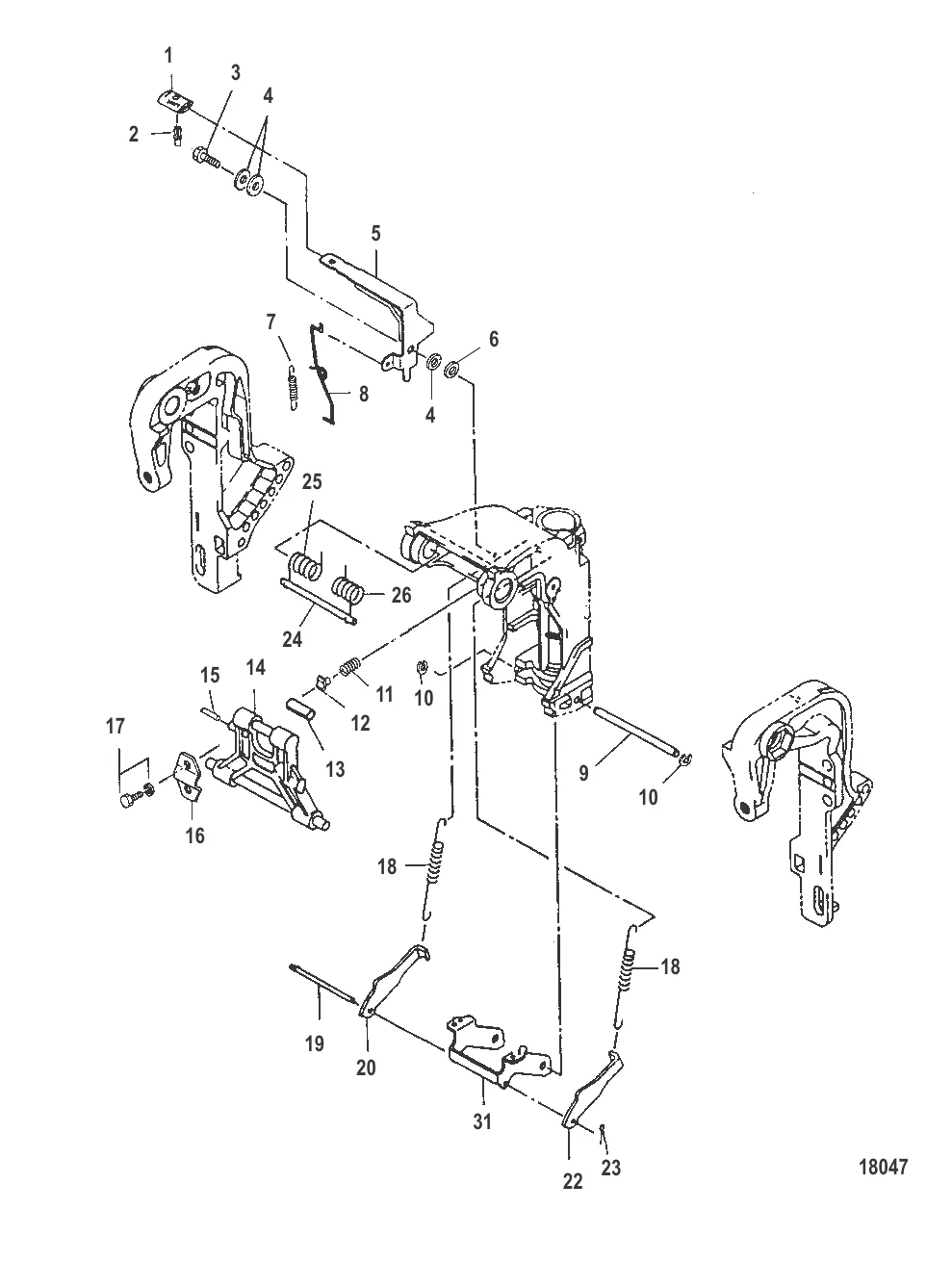
1
2
3
6
7
8
9
10
11
12
13
15
16
17
18
19
20
22
23
24
25
26

Ручной наклон Серийный номер 0N096057 и ниже

685 ₽

2 . STOPPER Mercury 8M0051399

853776 → 8M0051399

308 ₽

1 458 ₽

133 ₽

Уточняйте

6 . Шайба 953921

16237 → 16224 → 953921

284 ₽

738 ₽

924 ₽

951 ₽

186 ₽

364 ₽

226 ₽

147 ₽

14 . СТОПОР Наклон Mercury 825112008

825112007 → 825112006 → 8251125 → 825112008

6 439 ₽

167 ₽

16 . SET PLATE Mercury 879194006

162101 → 879194006

948 ₽

17 . болт Mercury 8M0098607

879194272 → 8M0098607

323 ₽

1 557 ₽

1 558 ₽

879 ₽

1 803 ₽

1 803 ₽

157 ₽

2 015 ₽

25 . пружина Mercury 824024012

804024009 → 824024012

5 713 ₽

26 . пружина Mercury 824024011

804024010 → 824024011

5 712 ₽

Полезные статьи

Все статьи →
Обслуживание и ремонт

Ремонт лодки ПВХ своими руками — как заклеить прокол, порез и шов

Подробная инструкция по ремонту лодки ПВХ: выбор клея, заплатки, горячий и холодный метод склейки. Разбираем типичные повреждения и рассказываем, когда можно починить самому, а когда лучше к мастеру.

1 мин.
Гайды и подбор

Гребные винты Mercury: полная таблица шаг/диаметр по моделям

Подробный гайд по подбору гребных винтов Mercury для всех серий моторов от 2.5 до 400 л.с. Таблицы шаг/диаметр, сравнение материалов, количества лопастей и правило 5500 RPM для точного подбора.

4 мин.
Гайды и подбор

Новые правила для маломерных судов 2026 — что изменилось и к чему готовиться

Обзор ключевых изменений в правилах для маломерных судов с 2026 года. Регистрация, техосмотр, навигация, требования к оборудованию — что нового и что делать владельцам лодок.

1 мин.
Связаться с нами