Расширительная камера и соединительные пластины — [0E384500 THRU 0E406399] - USA — купить в Victory Marine
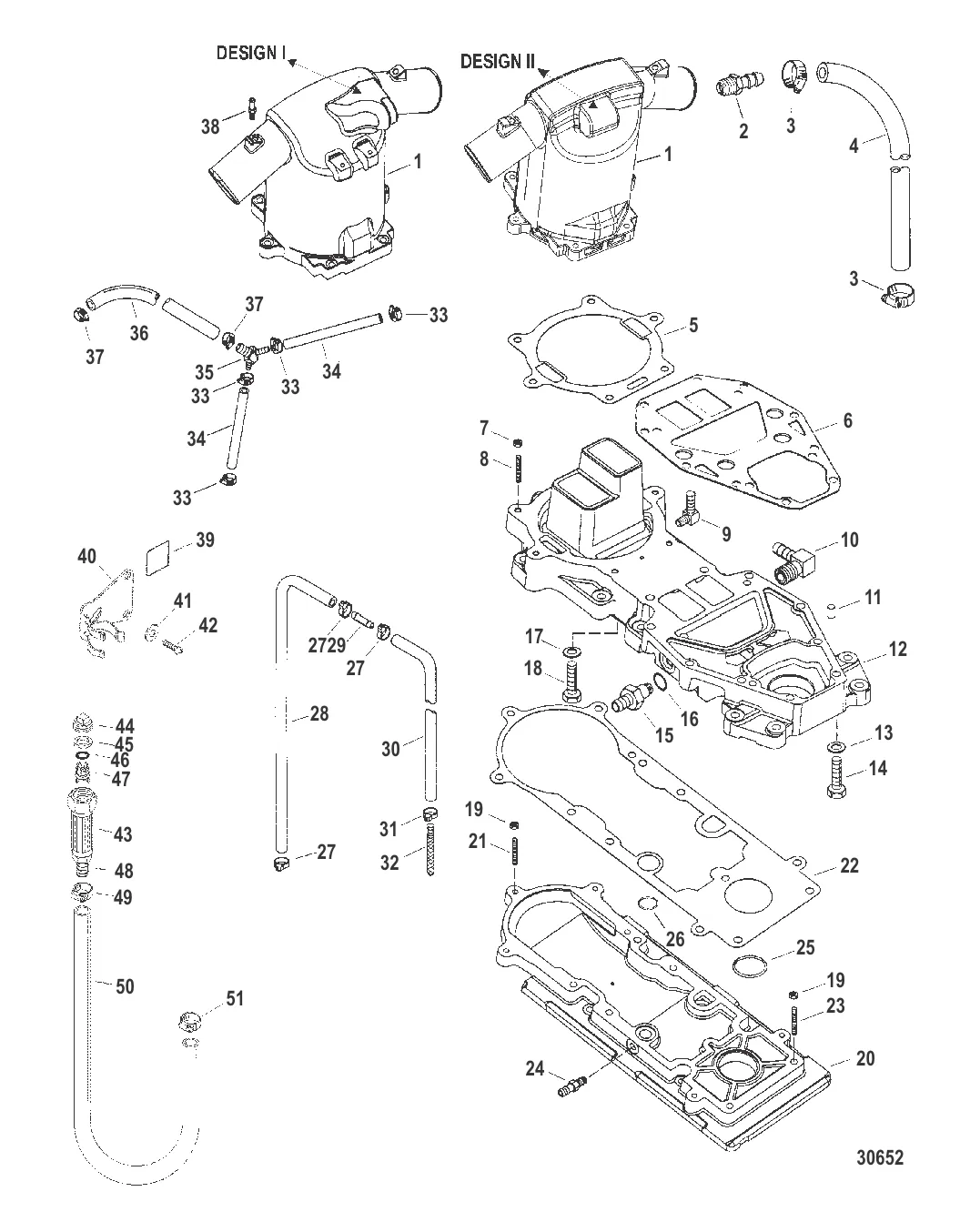
Расширительная камера и соединительные пластины
1
2
5
6
7
8
12
14
15
18
20
21
22
23
25
26
27
31
32
35
36
38
39
40
41
42
43
44
45
46
47
50

Расширительная камера и соединительные пластины

211 159 ₽

4 239 ₽

2 367 ₽

6 377 ₽

5 . ПРОКЛАДКА Mercury 880738

879864 → 859397 → 880738

3 488 ₽

8 982 ₽

715 ₽

937 ₽

1 316 ₽

4 487 ₽

306 ₽

237 324 ₽

315 ₽

8 015 ₽

198 ₽

75 ₽

734 ₽

508 ₽

192 764 ₽

847 ₽

5 364 ₽

3 069 ₽

783 ₽

25 . Кольцо 20826

20311 → 20826

569 ₽

500 ₽

45 ₽

1 956 ₽

346 ₽

2 752 ₽

844 ₽

10 719 ₽

2 609 ₽

9 992 ₽

1 108 ₽

217 ₽

2 410 ₽

318 ₽

263 ₽

5 200 ₽

979 ₽

560 ₽

385 ₽

2 804 ₽

2 932 ₽

11 663 ₽

843 ₽

Полезные статьи

Все статьи →
Связаться с нами