ПОВОРОТНЫЙ КРОНШТЕЙН/КОРМОВЫЕ КРОНШТЕЙНЫ (МОДЕЛИ С УСИЛИТЕЛЕМ ДИФФЕРЕНТА) — [0E288000 THRU 0E344999] - USA — купить в Victory Marine
ПОВОРОТНЫЙ КРОНШТЕЙН/КОРМОВЫЕ КРОНШТЕЙНЫ (МОДЕЛИ С УСИЛИТЕЛЕМ ДИФФЕРЕНТА)
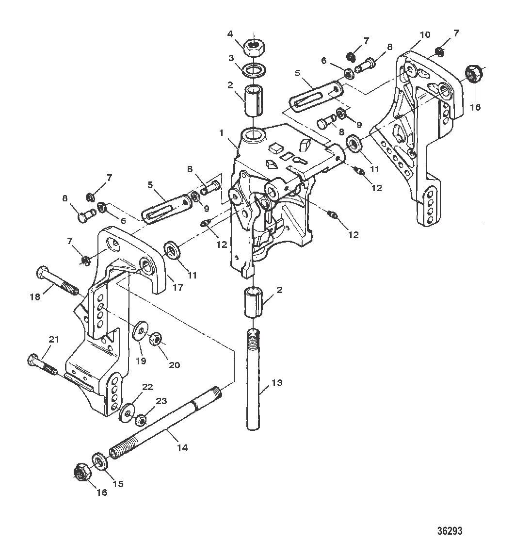
1
2
3
4
5
6
7
8
9
10
11
12
13
14
16
17
18
21
22
23

ПОВОРОТНЫЙ КРОНШТЕЙН/КОРМОВЫЕ КРОНШТЕЙНЫ (МОДЕЛИ С УСИЛИТЕЛЕМ ДИФФЕРЕНТА)

45 048 ₽

Уточняйте

3 . ШАЙБА Mercury 69342

F89011 → 69342

Уточняйте

Уточняйте

Уточняйте

1 993 ₽

468 ₽

Уточняйте

268 ₽

29 019 ₽

Уточняйте

131 ₽

Уточняйте

16 512 ₽

208 ₽

16 . ГАЙКА (0.875-14) Mercury 858869

30499 → 56041 → F1600 → 858869

602 ₽

Уточняйте

Уточняйте

21 . SCREW 8M0149747

677551 → 8M0149747

2 226 ₽

Уточняйте

342 ₽

Полезные статьи

Все статьи →
Связаться с нами