Пластина электромагнита — [1B417702 THRU 1B504988] - USA — купить в Victory Marine
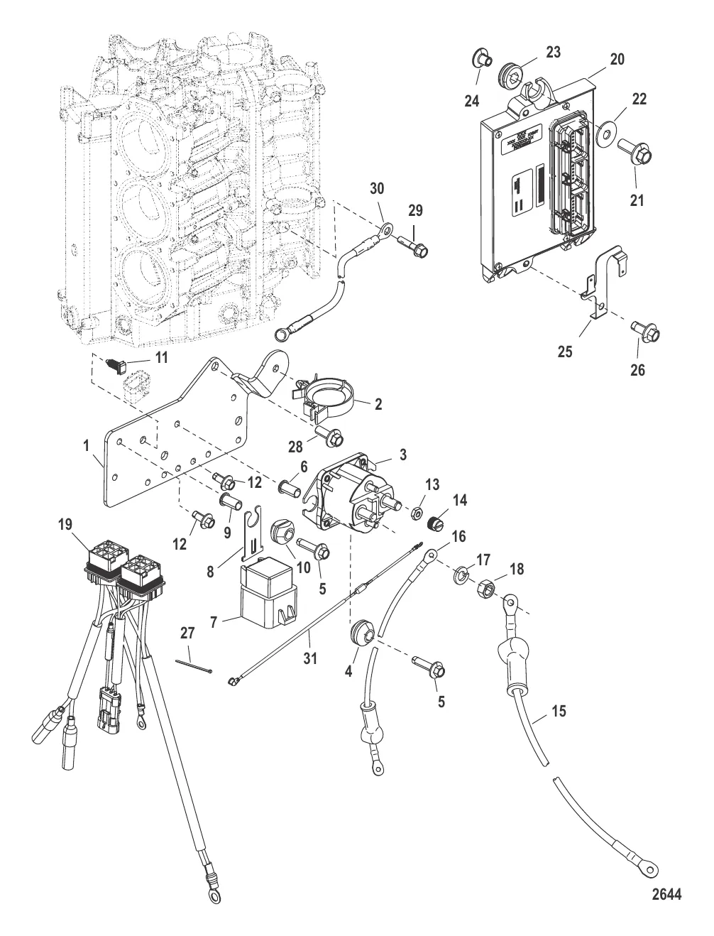
Пластина электромагнита
1
2
4
5
8
9
10
11
12
13
14
16
17
18
20
21
23
24
25
26
27
28
29

Пластина электромагнита

7 285 ₽

292 ₽

9 443 ₽

507 ₽

383 ₽

3 600 ₽

575 ₽

140 ₽

392 ₽

11 . ЗАЖИМ Mercury 828991T

828991 → 828991T

662 ₽

265 ₽

201 ₽

434 ₽

10 007 ₽

223 ₽

18 . ГАЙКА (0.312-18) Mercury 68292

F1349 → F1330 → 68292

197 ₽

10 869 ₽

446 585 ₽

514 940 ₽

407 ₽

292 ₽

339 ₽

734 ₽

741 ₽

239 ₽

45 ₽

284 ₽

699 ₽

15 036 ₽

Полезные статьи

Все статьи →
Связаться с нами