ПЛАСТИНА АТТЕНЮАТОРА — [9973100 THRU 0P016999] - Belgium — купить в Victory Marine
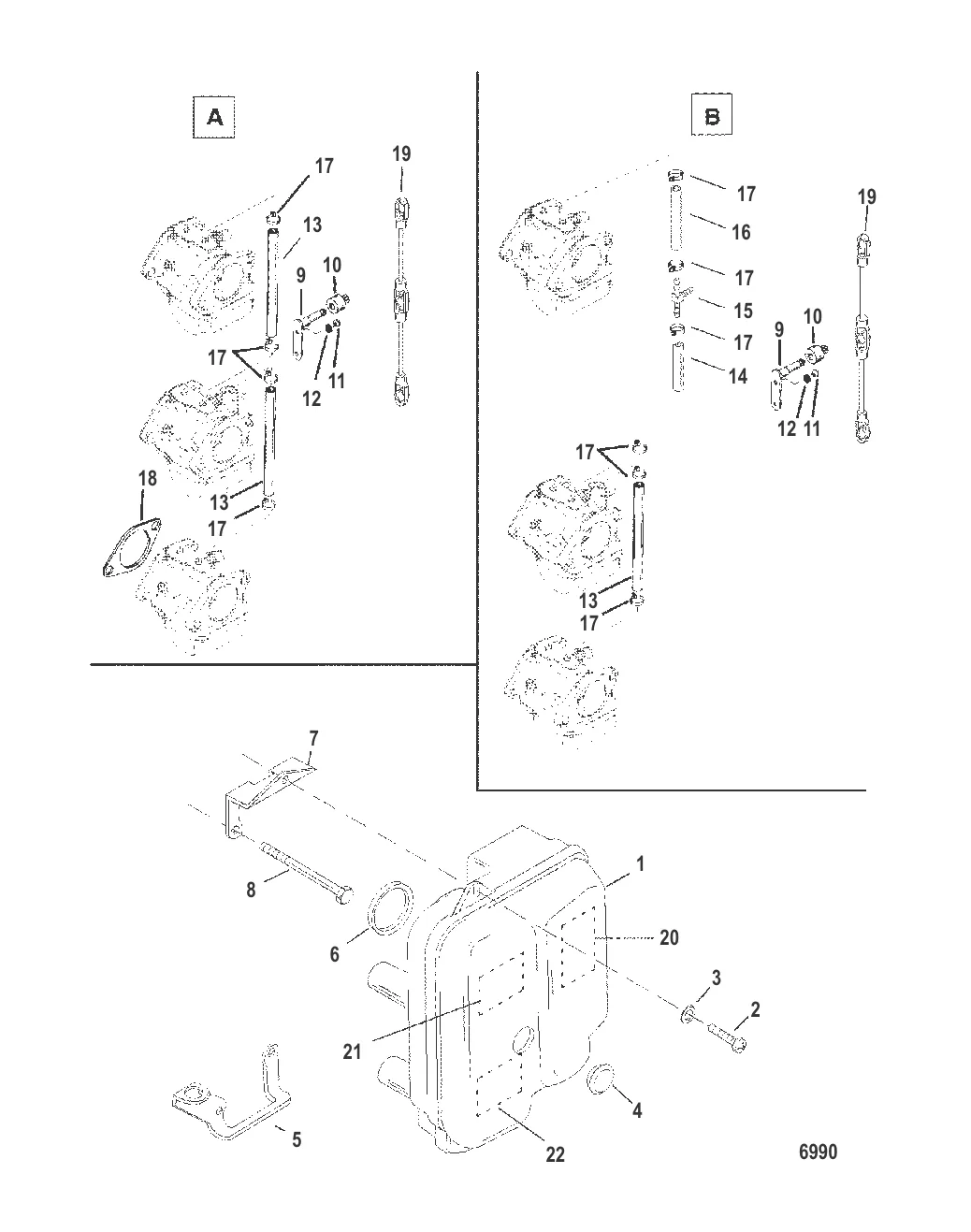
ПЛАСТИНА АТТЕНЮАТОРА
1
2
4
5
6
7
8
9
10
11
12
15
17
18
19
20
22

ПЛАСТИНА АТТЕНЮАТОРА

6 414 ₽

792 ₽

258 ₽

261 ₽

2 253 ₽

217 ₽

2 478 ₽

446 ₽

3 883 ₽

934 ₽

152 ₽

146 ₽

1 960 ₽

3 874 ₽

45 ₽

416 ₽

19 . LINK Mercury 825204T03

8252043 → 825204T03

4 148 ₽

1 392 ₽

Уточняйте

Полезные статьи

Все статьи →
Связаться с нами