Переходная пластина — [0G760300 THRU 0T408999] - USA — купить в Victory Marine
Переходная пластина
1
4
5
7
8
10
11
12
14
15
16
17
18
20
21
22
24
25
26
28
30

Переходная пластина

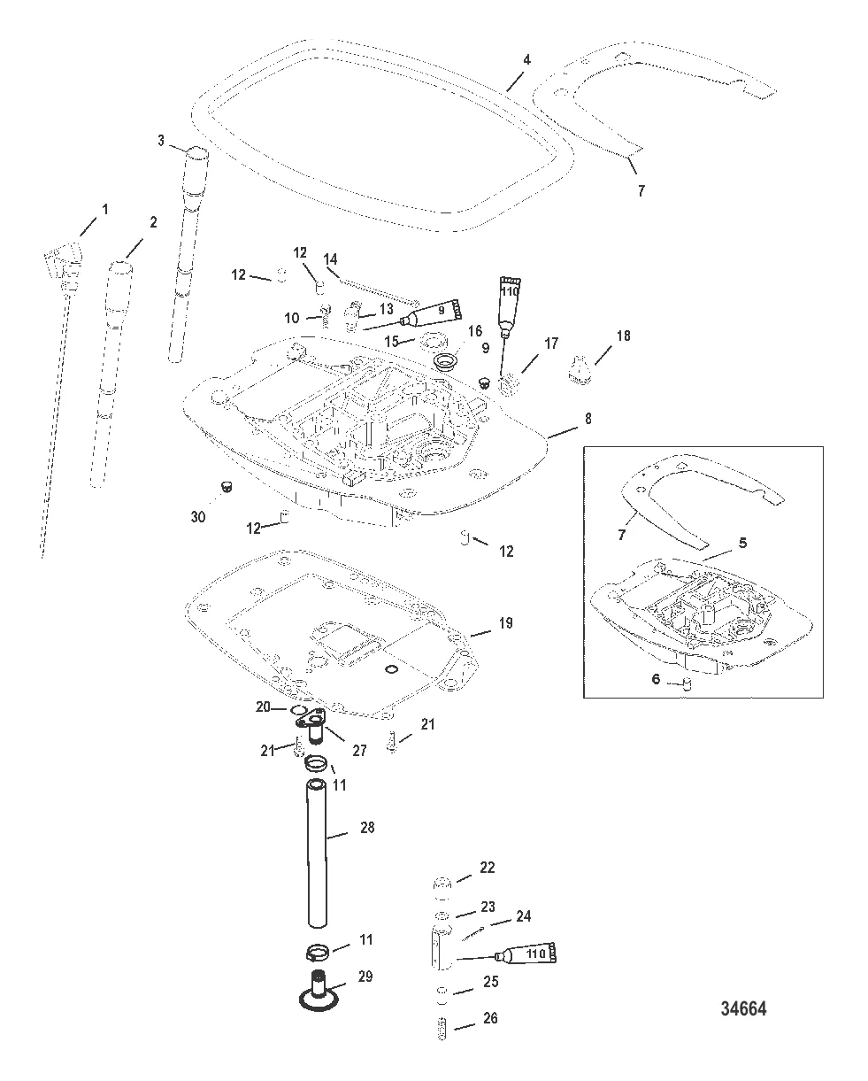
1 . DIPSTICK 8M0162935

825990 → 8M0162935

4 712 ₽

11 134 ₽

10 008 ₽

86 706 ₽

3 535 ₽

8 . ADAPTER PLATE ASSEMBLY Mercury 825228A17

825228T9 → 825228T6 → 825228A17

133 299 ₽

392 ₽

472 ₽

699 ₽

1 316 ₽

45 ₽

15 . Сальник 828932

821756 → 828932

1 248 ₽

1 276 ₽

300 ₽

744 ₽

19 . 892320001 Прокладка для мотора 40-60 пластина

8252517 → 8252516 → 8252513 → 8252512 → 8252511 → 892320001

9 000 ₽

238 ₽

21 . ВИНТ (M6 x 1.0 x 20) Mercury 8M4503518

40011128 → 1994020 → 8M4503518

394 ₽

Уточняйте

4 958 ₽

24 . Шплинт 45882

20209 → 45882

415 ₽

1 375 ₽

3 041 ₽

1 906 ₽

4 082 ₽

4 210 ₽

392 ₽

Полезные статьи

Все статьи →
Связаться с нами