ПЕРЕДНЯЯ КРЫШКА И ЦИРКУЛЯЦИОННЫЙ НАСОС — [1G400000 THRU 1G499999] — купить в Victory Marine
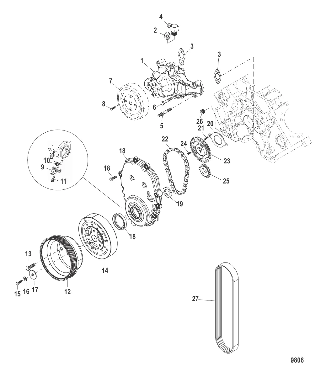
ПЕРЕДНЯЯ КРЫШКА И ЦИРКУЛЯЦИОННЫЙ НАСОС
1
5
6
7
8
10
11
12
13
14
15
16
17
19
20
21
22
23
25
26

ПЕРЕДНЯЯ КРЫШКА И ЦИРКУЛЯЦИОННЫЙ НАСОС

32 243 ₽

767 ₽

390 ₽

4 487 ₽

815 ₽

6 . Болт 32132

35788 → 35343 → 32132

311 ₽

316 ₽

7 . ШКИВ Mercury 865047T

864861T → 865047T

30 287 ₽

7 . PULLEY-WATER PUMP 8M0153706

807729T → 8M0153706

9 613 ₽

109 ₽

30 000 ₽

6 146 ₽

11 . ВИНТ Mercury 884018001

884018 → 884018001

1 391 ₽

16 979 ₽

159 ₽

43 393 ₽

385 ₽

16 . Шайба 39131

FI1100158 → 39131

109 ₽

711 ₽

5 436 ₽

4 770 ₽

482 ₽

22 . ЦЕПЬ Mercury 17161T

17161 → FI1101305 → 17161T

13 301 ₽

22 635 ₽

24 . ВИНТ (0.312-18 x 0.75) Mercury 8M0043993

845942 → 35339 → 35170 → 8M0043993

237 ₽

6 052 ₽

708 ₽

27 . 865615Q04 Приводной ремень Mercruiser Alpha 4.3

865615004 → 8638764 → 8620861 → 862086 → 865615Q04

13 000 ₽

27 . 865615Q06 Ремень приводной Mercruiser (QUICKSILVER)

865615006 → 8638766 → 8610491 → 865615Q06

15 000 ₽

Полезные статьи

Все статьи →
Связаться с нами