ПЕРЕДНЯЯ КРЫШКА И ЦИРКУЛЯЦИОННЫЙ НАСОС — [0M600000 THRU 0W059999] — купить в Victory Marine
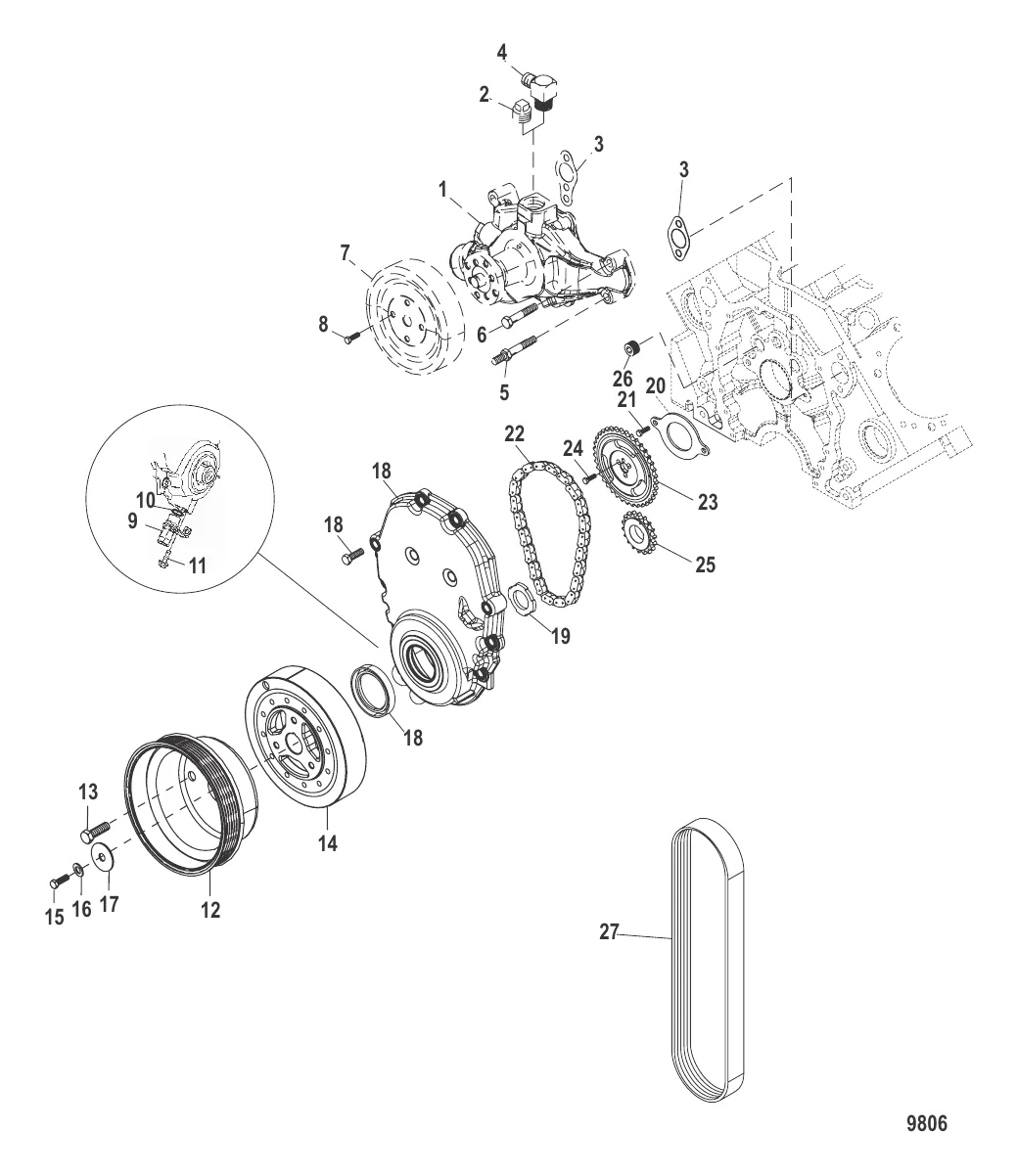
ПЕРЕДНЯЯ КРЫШКА И ЦИРКУЛЯЦИОННЫЙ НАСОС
1
2
5
6
7
8
10
11
12
13
14
15
16
17
19
20
21
22
23
25
26

ПЕРЕДНЯЯ КРЫШКА И ЦИРКУЛЯЦИОННЫЙ НАСОС

32 243 ₽

Уточняйте

390 ₽

4 487 ₽

815 ₽

6 . Болт 32132

35788 → 35343 → 32132

311 ₽

316 ₽

7 . PULLEY-WATER PUMP 8M0153706

807729T → 8M0153706

9 613 ₽

7 . ШКИВ Mercury 865047T

864861T → 865047T

30 287 ₽

109 ₽

30 000 ₽

6 146 ₽

11 . ВИНТ Mercury 884018001

884018 → 884018001

1 391 ₽

16 979 ₽

159 ₽

43 393 ₽

385 ₽

16 . Шайба 39131

FI1100158 → 39131

109 ₽

711 ₽

5 436 ₽

4 770 ₽

482 ₽

22 . ЦЕПЬ Mercury 17161T

17161 → FI1101305 → 17161T

13 301 ₽

22 635 ₽

24 . ВИНТ (0.312-18 x 0.75) Mercury 8M0043993

845942 → 35339 → 35170 → 8M0043993

237 ₽

6 052 ₽

708 ₽

27 . 865615Q04 Приводной ремень Mercruiser Alpha 4.3

865615004 → 8638764 → 8620861 → 862086 → 865615Q04

13 000 ₽

9 200 ₽

14 000 ₽

27 . 865615Q06 Ремень приводной Mercruiser (QUICKSILVER)

865615006 → 8638766 → 8610491 → 865615Q06

15 000 ₽

27 . Поликлиновый ремень 865615Q08

865615008 → 8638768 → 862089A1 → 862089 → 865615Q08

18 727 ₽

Полезные статьи

Все статьи →
Обслуживание и ремонт

Промывка системы охлаждения лодочного мотора — средства и процедура

Промывка системы охлаждения — обязательная процедура для любого лодочного мотора, особенно после эксплуатации в солёной или мутной воде. Разбираем средства, методы и пошаговую процедуру промывки для моторов Mercury.

1 мин.
Сравнения и обзоры

Электрический лодочный мотор как основной двигатель — когда это имеет смысл

Не путаем с троллинговыми моторчиками — речь про полноценные электрические двигатели для лодок. Torqeedo, ePropulsion и другие: мощность, батареи, запас хода, стоимость владения.

1 мин.
Гайды и подбор

Пропорция масла и бензина для двухтактного лодочного мотора — таблица

Полная таблица пропорций масла и бензина для двухтактных лодочных моторов Yamaha, Mercury, Tohatsu, Honda. Что будет, если перелить или недолить масло, и какое масло TC-W3 выбрать.

1 мин.
Связаться с нами