Охлаждение пресной водой Теплообменник — 370 JET EC — купить в Victory Marine
Охлаждение пресной водой Теплообменник
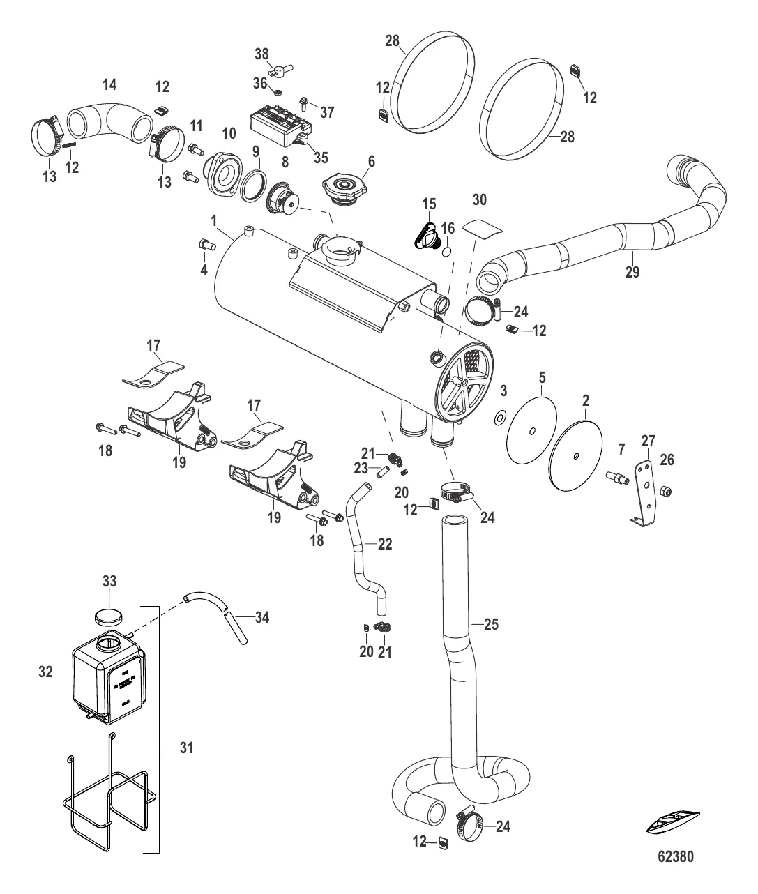
1
2
5
6
7
8
9
10
11
12
14
17
18
19
20
22
23
25
27
28
29
30
32
33
34
35
36
37
38

Охлаждение пресной водой Теплообменник

273 457 ₽

15 744 ₽

641 ₽

383 ₽

5 . УПЛОТНЕНИЕ Mercury 8M0084884

866152 → 864707 → 8M0084884

1 536 ₽

8 855 ₽

5 174 ₽

5 540 ₽

1 671 ₽

35 147 ₽

566 ₽

12 . ПРОБКА Mercury 8M0074364

8M6500037 → 8M0074364

41 ₽

554 ₽

3 589 ₽

1 200 ₽

350 ₽

1 028 ₽

Уточняйте

29 888 ₽

45 ₽

408 ₽

1 233 ₽

1 046 ₽

792 ₽

14 240 ₽

636 ₽

4 665 ₽

1 848 ₽

8 974 ₽

20 431 ₽

11 486 ₽

14 023 ₽

32 . БАЧОК Пластик Mercury 71587A11

71587A7 → 71587 → 71587A11

11 929 ₽

33 . ПРОБКА Mercury 72058

898101421 → 72058

1 179 ₽

2 492 ₽

14 193 ₽

36 . Гайка 68219

20645 → 33252 → 68219

72 ₽

383 ₽

578 ₽

Полезные статьи

Все статьи →
Связаться с нами