Охлаждение неочищенной водой Перепускная труба в сборе — [2A456613 THRU 2A530773] — купить в Victory Marine
Охлаждение неочищенной водой Перепускная труба в сборе
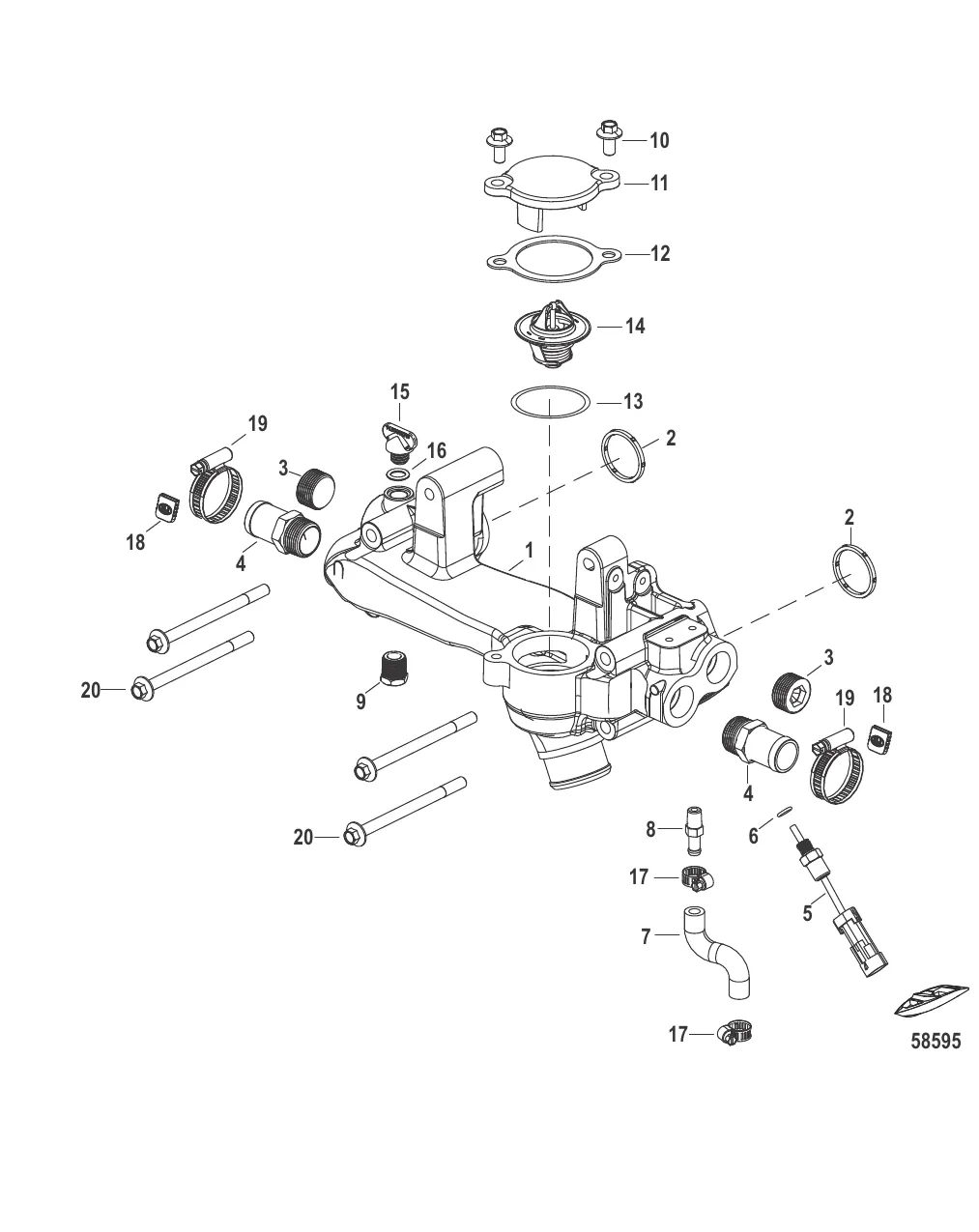
1
2
4
7
8
9
10
11
12
18
20

Охлаждение неочищенной водой Перепускная труба в сборе

96 199 ₽

113 ₽

767 ₽

2 076 ₽

5 800 ₽

1 439 ₽

722 ₽

1 046 ₽

Уточняйте

10 . SCREW 8M0153661

4009516 → 8M0153661

317 ₽

4 243 ₽

157 ₽

600 ₽

14 . Термостат 60C Mercruiser 4.5L 8M0089715

807252T1 → 8072521 → 8052731 → 59137 → 35884 → 32728 → 8M0089715

3 744 ₽

1 200 ₽

350 ₽

408 ₽

18 . ПРОБКА Mercury 8M0074364

8M6500037 → 8M0074364

41 ₽

1 747 ₽

341 ₽

Полезные статьи

Все статьи →
Связаться с нами