18
21
23
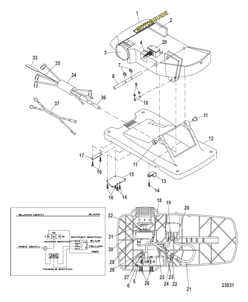
Ножная педаль в сборе (M899721T)
3 330 ₽
777 ₽
1 013 ₽
32 ₽
3 731 ₽
346 ₽
394 ₽
917 ₽
1 226 ₽
910 ₽
305 ₽
3 371 ₽
77 ₽
89 ₽
224 ₽
774 ₽
164 ₽
18
18 . КАБЕЛЬ В СБОРЕ (4.00"), черный – два провода с клеммами Mercury MM309612T
MM309612 → MM309612T
783 ₽
122 ₽
3 116 ₽
244 ₽
92 ₽
122 ₽
596 ₽
460 ₽
152 ₽
3 055 ₽
388 ₽
249 ₽
57 ₽
1 221 ₽
8 996 ₽
4 032 ₽
1 533 ₽
2 187 ₽