Натяжное устройство и звездочки — [0M965309 & Up] — купить в Victory Marine
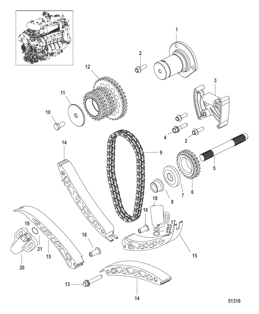
Натяжное устройство и звездочки
9
23

Натяжное устройство и звездочки

9 . цепь ГРМ Mercury 8M0140852

8M0011749 → 8M0140852

Уточняйте

Уточняйте

Полезные статьи

Все статьи →
Сравнения и обзоры

Лучшие спиннинги 2026 — рейтинг бюджетных и топовых моделей

Разбираем лучшие спиннинги 2026 года в трёх ценовых сегментах — от бюджетных палок до премиальных удилищ. ТОП-5 универсальных моделей и советы по выбору.

1 мин.
Обслуживание и ремонт

Вибрация лодочного мотора — причины, диагностика и устранение

Вибрация лодочного мотора может быть вызвана десятком причин — от повреждённого винта до износа подвески. Разбираем каждую причину, объясняем, как диагностировать, и рассказываем, что можно исправить самому, а с чем ехать в сервис.

1 мин.
Гайды и подбор

Гидрокрыло на лодочный мотор: нужно ли оно и как установить

Разбираемся, когда гидрокрыло реально помогает выйти на глисс, а когда это лишняя трата денег. Тест на Mercury 9.9 + Ривьера 340, обзор моделей SE Sport и StingRay, пошаговая установка.

1 мин.
Связаться с нами