Насос усилителя дифферента — [9506481 THRU 9589038] - Belgium - Cat.# 90-18520 — купить в Victory Marine
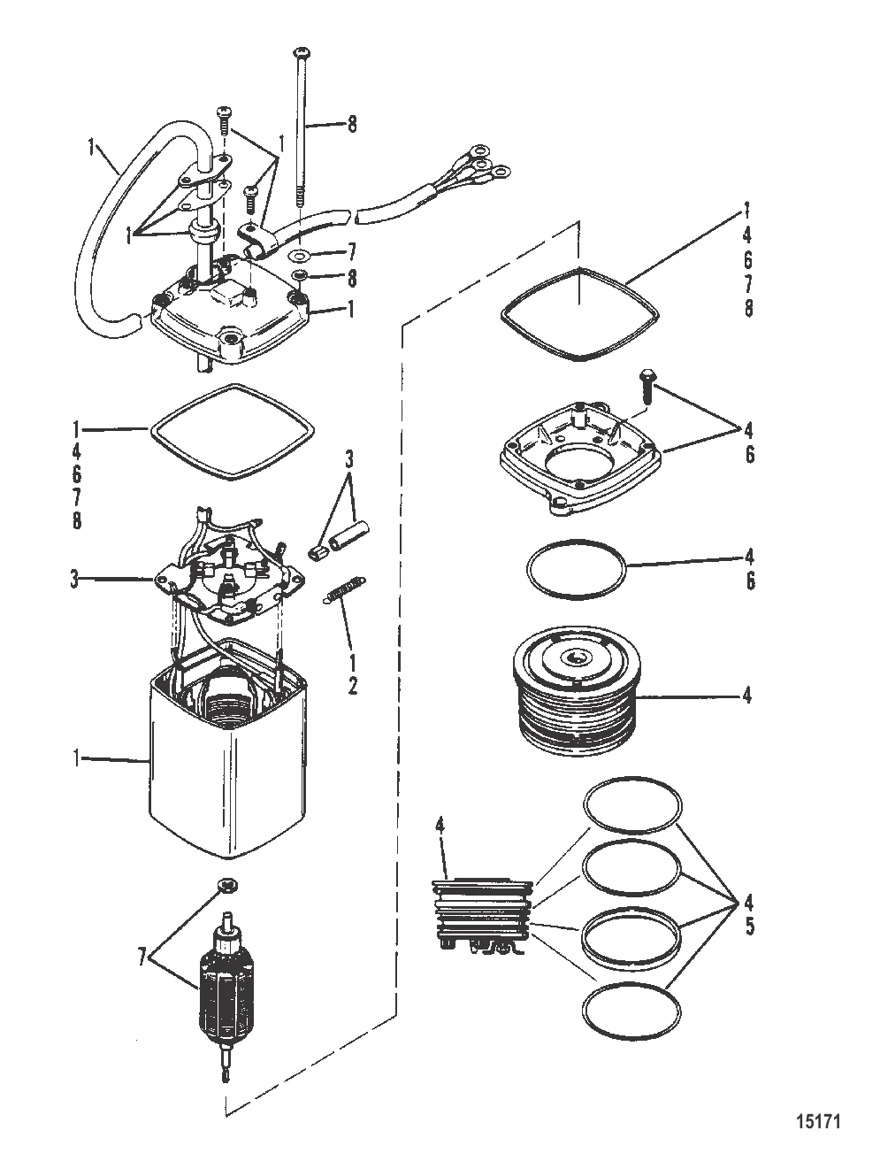
Насос усилителя дифферента
1
2
3
5
6
7
8

Насос усилителя дифферента

Уточняйте

2 057 ₽

Уточняйте

Уточняйте

4 228 ₽

Уточняйте

Уточняйте

Уточняйте

Полезные статьи

Все статьи →
Связаться с нами