Насос системы дифферента и кронштейны — [1E080500 & Up] - USA — купить в Victory Marine
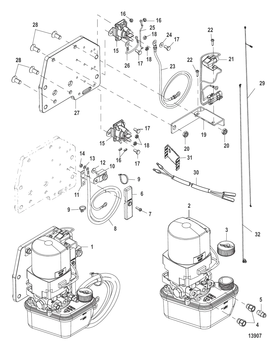
Насос системы дифферента и кронштейны
2
5
6
9
10
11
12
14
19
26
27
30
31

Насос системы дифферента и кронштейны

323 997 ₽

214 561 ₽

1 000 ₽

3 364 ₽

1 261 ₽

225 ₽

11 185 ₽

45 ₽

2 952 ₽

1 220 ₽

180 ₽

109 ₽

224 ₽

4 500 ₽

359 ₽

228 ₽

216 ₽

10 117 ₽

482 ₽

18 828 ₽

936 ₽

11 711 ₽

152 ₽

1 220 ₽

883 ₽

30 751 ₽

1 383 ₽

31 068 ₽

1 496 ₽

709 ₽

26 079 ₽

Полезные статьи

Все статьи →
Связаться с нами