Популярные города
Товаров не найдено, но мы можем привезти под заказ
Нет аккаунта?
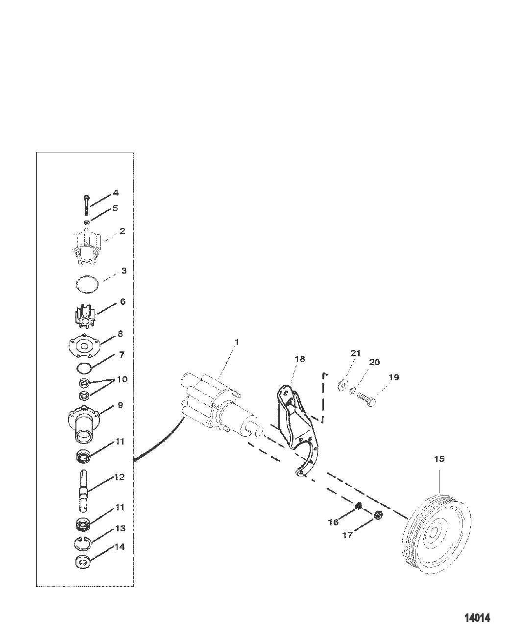
Насос забортной воды Mercruiser Bravo cо шкивом (пластиковый корпус) 807151A9
72774A86 → 807151A9
807151A14 (Аналог) Ремкомплект помпы Mercruiser Bravo.
807151A7 → 807151A14
33465 Кольцо уплотнительное для MERCURY 8M0214925
807149 → 33465
ВИНТ (0.312-18 x 2.680) Mercury 807356
807356
ШАЙБА (0.344 x 0.688 x 0.065), нержавеющая сталь Mercury 814806
53705 → 814806
59362T1 (Аналог) Крыльчатка помпы охлаждения двигателя
593621 → 59362T1
СЧЕТВЕРЕННОЕ КОЛЬЦО Mercury 94288
94288
ИЗНОСОСТОЙКАЯ ПЛАСТИНА Mercury 94576
72778 → 94576
КОРПУС В СБОРЕ Насос Mercury 94913A5
94913A5
90562 Сальник помпы Mercury Mercruiser (QUICKSILVER)
23300 → 29595 → 90562
72961 Подшипник насоса забортной воды Mercruiser (QUICKSILVER)
20861 → 72961
ВАЛ ВОДЯНОГО НАСОСА BRAVO 2004 И СТАРШЕ 59501A1
59501 → 59501A1
КОЛЬЦО Стопор Mercury 23720
23720
САЛЬНИК НАСОСА ЗАБОРТНОЙ ВОДЫ MERCRUISER BRAVO 72785
59564 → 72785
Шкив водяной помпы 8M0147207
861579 → 8M0147207
СТОПОРНАЯ ШАЙБА (M8) Mercury 400247
817148 → 400247
ГАЙКА (0.312-18), с кадмиевым покрытием Mercury 21908
21908
КРОНШТЕЙН Mercury 8077491
807749T → 8077491
ВИНТ (0.375-16 x 1.00) Mercury 34353
F1867 → F2202 → 34353
Шайба 35048
37459 → 27969 → 35048
ШАЙБА Mercury 34714
34714
96 718 ₽
6 500 ₽
Уточняйте
197 ₽
74191
294 ₽
105 ₽
2 300 ₽
322 ₽
2 869 ₽
56 302 ₽
2 900 ₽
3 000 ₽
32 961 ₽
303 ₽
2 816 ₽
17 402 ₽
257 ₽
300 ₽
11 846 ₽
258 ₽
171 ₽
289 ₽
Правильная зарядка — залог долгой жизни лодочного аккумулятора. Разбираем типы зарядных устройств, профили зарядки и даём рекомендации по выбору для разных задач.
Подробная инструкция по консервации 2-тактных и 4-тактных Mercury на зиму. Пошагово, с объяснением зачем каждый этап.
Пошаговый алгоритм спасения человека за бортом: немедленные действия, манёвры Вильямсона и Шарнова, подход к пострадавшему, борьба с гипотермией. Теория и практические советы для каждого судоводителя.
Контакты
+7 800 555-65-49
Бесплатно по России — нажмите, чтобы позвонить
Написать нам
Перезвоните мне
Оставьте номер — наш эксперт перезвонит и подберёт нужные запчасти
Нажимая кнопку, вы соглашаетесь на обработку персональных данных
Наш эксперт свяжется с вами в ближайшее время
Скидка будет применена к вашему заказу