НАСОС ДЛЯ ЗАБОРТНОЙ ВОДЫ (ПОВОРОТНО-ОТКИДНАЯ КОЛОНКА) — D254 TURBO AC VM 254 I/L6 — купить в Victory Marine
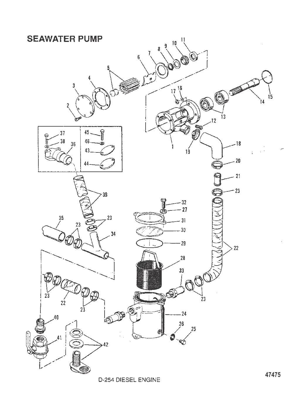
НАСОС ДЛЯ ЗАБОРТНОЙ ВОДЫ (ПОВОРОТНО-ОТКИДНАЯ КОЛОНКА)
1
2
3
4
5
6
7
8
9
10
11
12
13
14
17
18
19
21
23
24
25
26
27
28
29
30
31
32
33
34
35
36
37
38
39
40
41
42
43
44
45

НАСОС ДЛЯ ЗАБОРТНОЙ ВОДЫ (ПОВОРОТНО-ОТКИДНАЯ КОЛОНКА)

251 558 ₽

1 969 ₽

3 . крышка Mercury 8M0057730

801332607 → 8M0057730

6 795 ₽

1 700 ₽

17 697 ₽

26 912 ₽

3 114 ₽

7 080 ₽

7 364 ₽

15 295 ₽

1 565 ₽

76 ₽

4 245 ₽

33 994 ₽

326 ₽

16 . СТОПОРНАЯ ШАЙБА Mercury 811460

811451 → 809932095 → 809932081 → 811460

23 ₽

Уточняйте

18 . РУКАВ Mercury 816174A1

816174 → 816174A1

Уточняйте

Уточняйте

2 530 ₽

285 ₽

63 922 ₽

1 216 ₽

26 . ШАЙБА Mercury 889153

809963201 → 801765058 → 889153

109 ₽

27 . ШАЙБА Mercury 879194141

811384 → 879194141

27 ₽

8 031 ₽

385 ₽

2 861 ₽

Уточняйте

65 ₽

2 790 ₽

Уточняйте

Уточняйте

Уточняйте

Уточняйте

86 ₽

39 . РУКАВ Mercury 816172

816996 → 816172

5 045 ₽

5 115 ₽

19 936 ₽

28 478 ₽

43 . Заглушка 8M0095447

818304A1 → 818304 → 8M0095447

6 656 ₽

649 ₽

251 ₽

109 ₽

Полезные статьи

Все статьи →
Связаться с нами