Монтаж усилителя дифферента — [0P017000 THRU 0P325499] - Belgium — купить в Victory Marine
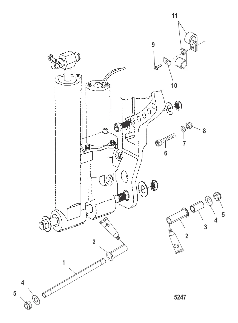
Монтаж усилителя дифферента
1
2
3
4
5
6
7
8
9
10
11

Монтаж усилителя дифферента

12 157 ₽

2 643 ₽

3 209 ₽

507 ₽

5 . ГАЙКА Mercury 826712

4013414 → 4011914 → 826712

1 087 ₽

1 859 ₽

7 . ШАЙБА Mercury 4002319

4002219 → 809931072 → 4002319

347 ₽

317 ₽

335 ₽

152 ₽

574 ₽

Полезные статьи

Все статьи →
Связаться с нами