Маслосборник и насос — [0M965309 & Up] — купить в Victory Marine
Маслосборник и насос
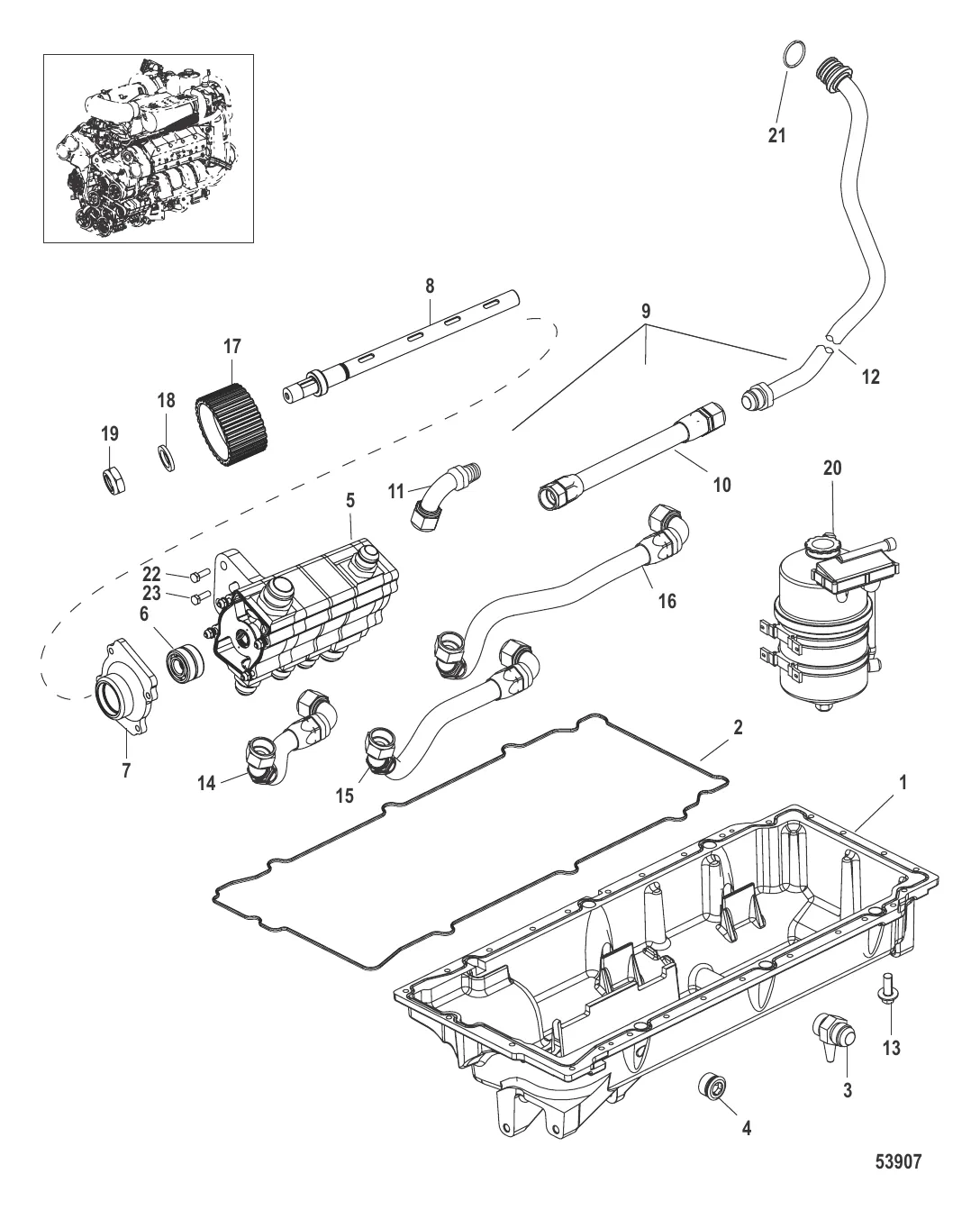
2
4
8
9
10
11
12
13
14
15
16
17
20
22

Маслосборник и насос

424 020 ₽

23 817 ₽

18 423 ₽

1 664 ₽

825 028 ₽

Уточняйте

95 590 ₽

16 487 ₽

47 098 ₽

41 063 ₽

374 ₽

53 096 ₽

35 438 ₽

38 092 ₽

17 . шкив Mercury 8M0139341

8M0060771 → 8M0139341

65 303 ₽

850 ₽

1 595 ₽

283 556 ₽

422 ₽

1 764 ₽

Полезные статьи

Все статьи →
Гайды и подбор

Тент на лодку ПВХ — ходовой, носовой, стояночный и как сделать своими руками

Разбираемся в типах тентов для лодок ПВХ: ходовой, носовой, стояночный, полный. Материалы, каркасы, популярные модели, цены и подробная инструкция — как сшить ходовой тент самому.

1 мин.
Гайды и подбор

Карты глубин для рыбалки — приложения, сервисы, как читать рельеф

Карта глубин — это шпаргалка, которая экономит часы поиска рыбы. Разбираем бесплатные и платные сервисы, учимся читать подводный рельеф и находить перспективные точки ещё до выхода на воду.

1 мин.
Гайды и подбор

Электрический насос для лодки ПВХ — какой выбрать и не пожалеть

Разбираемся в типах электрических насосов для лодок ПВХ: низкого и высокого давления, двухступенчатые модели. Сравниваем Bravo, Scoprega, Intex. Подскажем, какой насос подойдёт для вашей лодки.

1 мин.
Связаться с нами