Маслоохладитель Шланги — [F1429422 & Up] — купить в Victory Marine
Маслоохладитель Шланги
1
2
3
4
5
6
7
8
9
10
12
13
15
16
18
19
21
22
23
24
25
26
27
28
29
30
31
32
33
34

Маслоохладитель Шланги

538 887 ₽

12 681 ₽

84 ₽

1 455 ₽

19 765 ₽

39 183 ₽

248 ₽

268 ₽

12 375 ₽

Уточняйте

Уточняйте

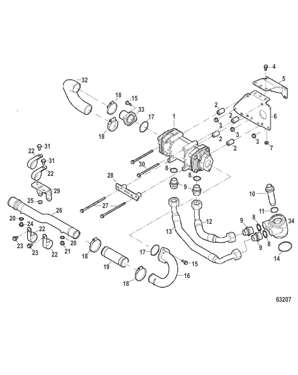
12 . OIL LINE 8M0144580

8M0138993 → 8M0144580

Уточняйте

Уточняйте

Уточняйте

1 454 ₽

121 825 ₽

1 000 ₽

1 247 ₽

13 623 ₽

2 373 ₽

15 025 ₽

5 146 ₽

Уточняйте

617 ₽

25 . NUT 8M0139595

8M0139595

Уточняйте

71 072 ₽

814 ₽

12 486 ₽

17 633 ₽

1 790 ₽

Уточняйте

26 122 ₽

66 400 ₽

Уточняйте

Полезные статьи

Все статьи →
Связаться с нами