Популярные города
Товаров не найдено, но мы можем привезти под заказ
Нет аккаунта?
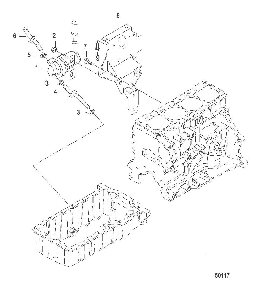
НАСОС Отбор масла Mercury 8M0066858
8M0066858
ГАЙКА M8 Mercury 8M0068355
8M0068354 → 8M0068355
ЗАЖИМ 16.2x7x0.6 Mercury 8M0068261
8M0068261
ШЛАНГ 8x3.5x1000 Mercury 8M0066862
8M0066862
ВИНТ M10x20 Mercury 8M0068241
8M0068241
кронштейн-WATR насос Mercury 8M0080672
8M0066879 → 8M0080672
ВИНТ M8x20 Mercury 8M0068231
8M0068231
87 547 ₽
33 ₽
276 ₽
4 205 ₽
67 ₽
6 233 ₽
128 ₽
Рыбалка в Краснодарском крае с лодки: Кубань, лиманы Азовского моря, платные водоёмы, виды рыб и сезоны.
Подробный гайд по подбору гребных винтов Mercury для всех серий моторов от 2.5 до 400 л.с. Таблицы шаг/диаметр, сравнение материалов, количества лопастей и правило 5500 RPM для точного подбора.
Карелия — рай для рыбака с лодкой: тысячи озёр, чистейшая вода и трофейная рыба. Разбираем лучшие водоёмы, видовой состав, выбор мотора и всё, что нужно знать перед поездкой.
Контакты
+7 800 555-65-49
Бесплатно по России — нажмите, чтобы позвонить
Написать нам
Перезвоните мне
Оставьте номер — наш эксперт перезвонит и подберёт нужные запчасти
Нажимая кнопку, вы соглашаетесь на обработку персональных данных
Наш эксперт свяжется с вами в ближайшее время
Скидка будет применена к вашему заказу