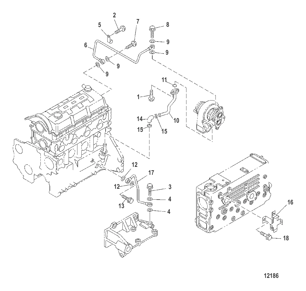
Масляные и вакуумные шланги — [8810800 & Up] — купить в Victory Marine
Масляные и вакуумные шланги
1
2
3
4
5
6
7
8
9
10
11
12
13
14
15
16
17
18

Масляные и вакуумные шланги

330 ₽

499 ₽

737 ₽

541 ₽

497 ₽

6 . труба Mercury 8M0090695

882540 → 8M0090695

30 146 ₽

823 ₽

1 334 ₽

499 ₽

10 281 ₽

579 ₽

447 ₽

2 103 ₽

3 338 ₽

15 . Хомут 8M0124995

882453 → 8M0124995

229 ₽

8 244 ₽

17 . труба Mercury 8M0098320

882542 → 8M0098320

16 344 ₽

500 ₽

Полезные статьи

Все статьи →
Связаться с нами