Масляная система — [2B529482 & Up] - USA — купить в Victory Marine
Масляная система
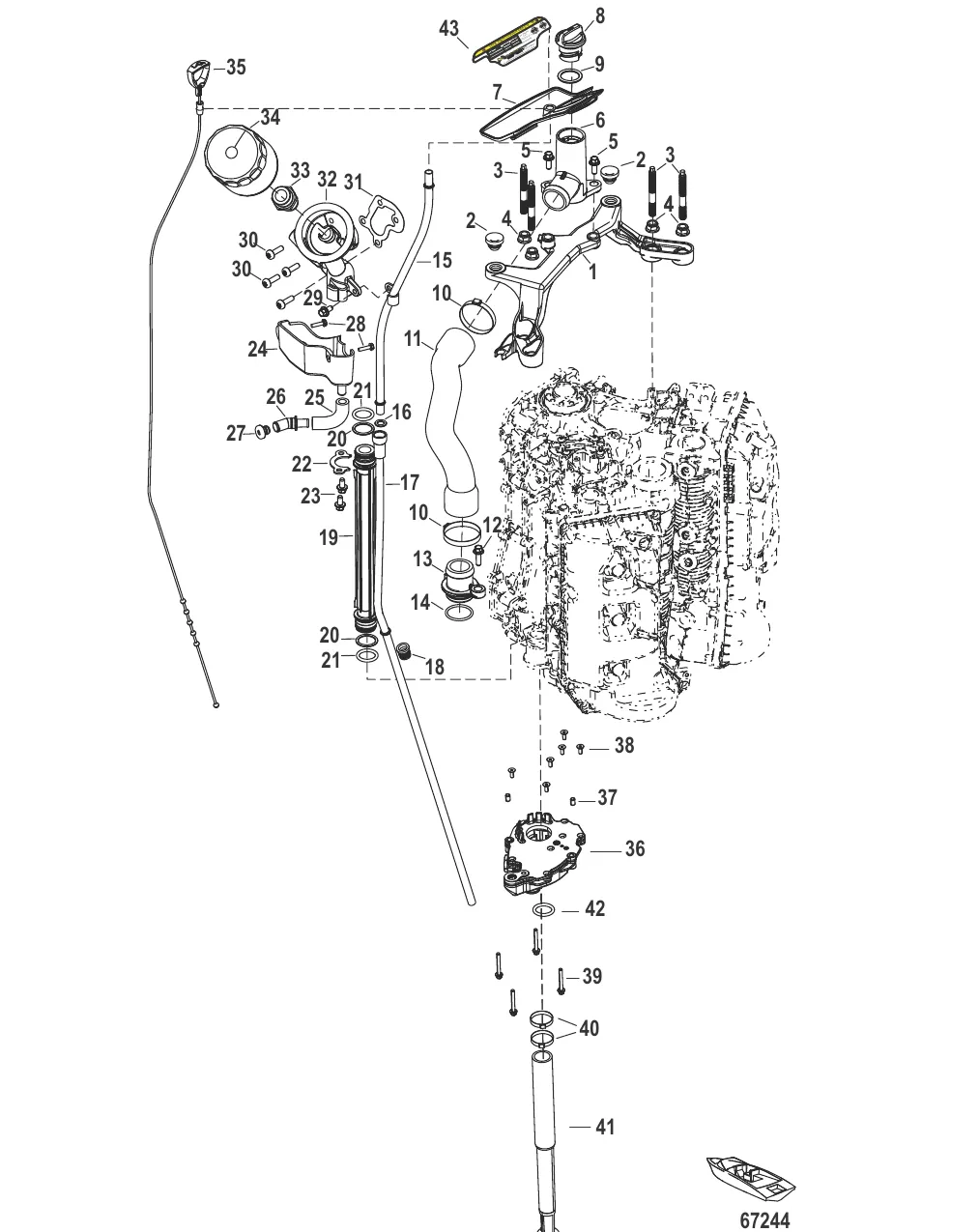
1
2
3
4
6
7
8
9
10
11
13
14
15
16
17
18
19
20
21
22
23
24
25
26
27
28
30
31
32
33
34
35
36
37
38
39
40
41
42
43

Масляная система

5 070 ₽

126 ₽

3 . шпилька Mercury 8M0022161

888849003 → 8M0022161

2 852 ₽

715 ₽

374 ₽

2 641 ₽

1 530 ₽

899 ₽

500 ₽

267 ₽

1 777 ₽

340 ₽

1 797 ₽

366 ₽

6 721 ₽

374 ₽

Уточняйте

42 ₽

19 . OIL TUBE 8M0158594

8M0142606 → 8M0158594

4 265 ₽

270 ₽

364 ₽

283 ₽

199 ₽

1 024 ₽

936 ₽

216 ₽

233 ₽

634 ₽

310 ₽

190 ₽

533 ₽

32 . ADAPTOR OIL FILTR 8M0156635

8M0142483 → 8M0156635

5 975 ₽

1 486 ₽

2 200 ₽

6 229 ₽

44 811 ₽

Уточняйте

Уточняйте

Уточняйте

176 ₽

9 807 ₽

540 ₽

448 ₽

Полезные статьи

Все статьи →
Связаться с нами