Кронштейн переключения передач (Bravo) — [0L307028 THRU 0L602036] - USA — купить в Victory Marine
Кронштейн переключения передач (Bravo)
3
6
7
8
9
13
14
15
16
17

Кронштейн переключения передач (Bravo)

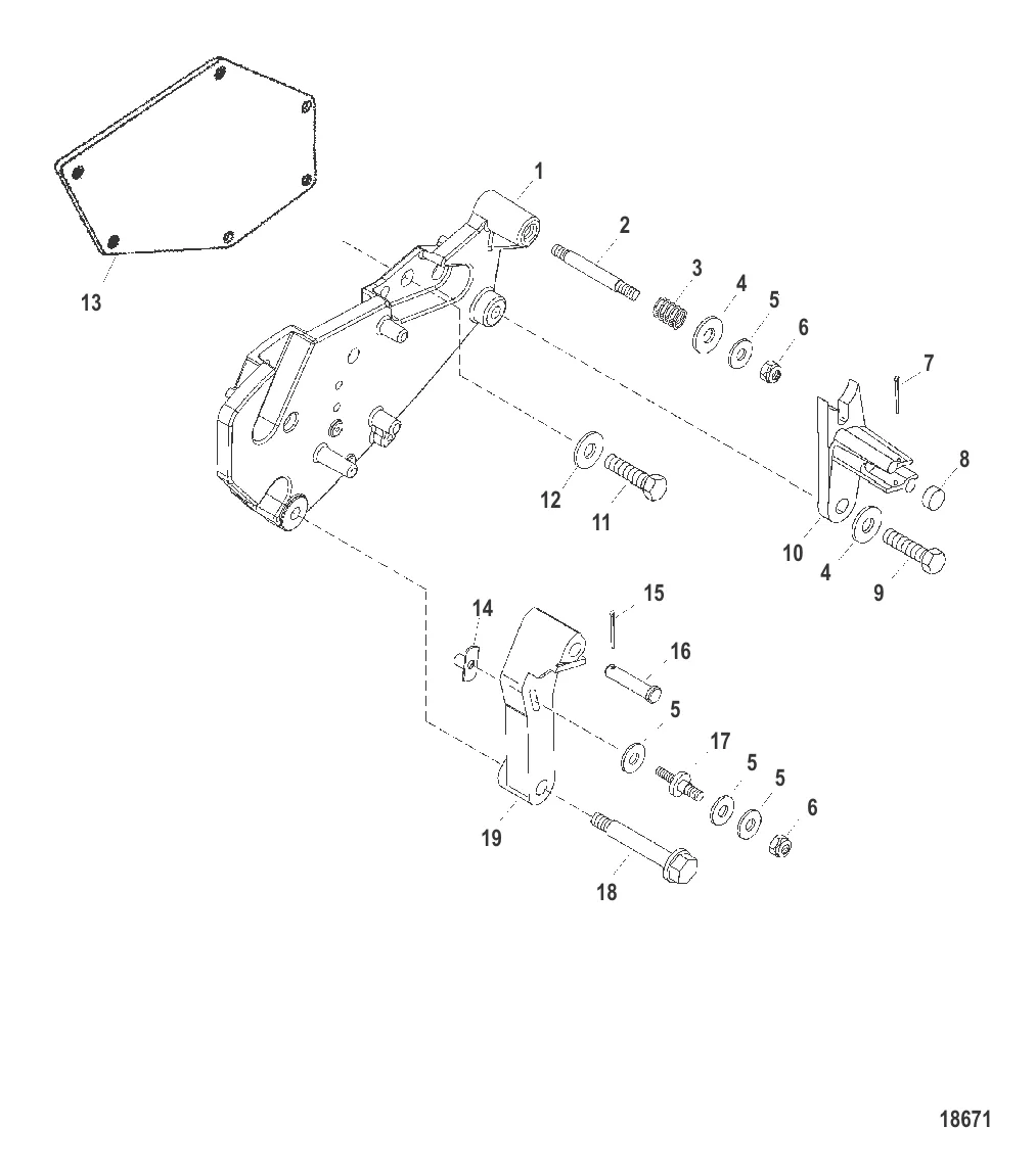
1 . Кронштейн механизма переключения хода Mercruiser Alpha/Bravo 807962A15

807962A14 → 807962A10 → 807962A3 → 99237A10 → 99237A2 → 807962A15

24 070 ₽

1 215 ₽

387 ₽

284 ₽

258 ₽

266 ₽

7 . ШПЛИНТ Mercury 328571

32857 → 22927 → 328571

268 ₽

152 ₽

191 ₽

10 . РЫЧАГ ВКЛЮЧЕНИЯ ХОДА MERCRUISER BRAVO 865434A02

865434A01 → 12381F1 → 123811 → 865434A02

9 215 ₽

228 ₽

152 ₽

65 489 ₽

291 ₽

467 ₽

1 102 ₽

506 ₽

Уточняйте

9 815 ₽

Полезные статьи

Все статьи →
Связаться с нами