Популярные города
Товаров не найдено, но мы можем привезти под заказ
Нет аккаунта?
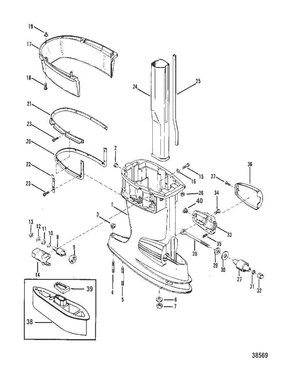
УДЛИНИТЕЛЬ В СБОРЕ Mercury 98858A1
98858A1
уплотнитель @2 Mercury 37721001
37721 → 37721001
ГАЙКА Mercury 35521
35521
Уточняйте
1 397 ₽
290 ₽
Детальное сравнение лодочных моторов 30 л.с. от четырёх ведущих производителей. EFI против карбюратора, румпель против дистанции, реальные скорости и расходы — вся правда от практиков.
Перегрев — одна из самых опасных ситуаций для подвесного мотора. Разбираем 7 основных причин перегрева и даём пошаговую инструкцию, что делать, если температура полезла вверх прямо посреди водоёма.
Разбираемся раз и навсегда: какой бензин нужен лодочному мотору, почему 95-й не всегда лучше, чем опасен этанол в топливе и как правильно хранить бензин между сезонами.
Контакты
+7 800 555-65-49
Бесплатно по России — нажмите, чтобы позвонить
Написать нам
Перезвоните мне
Оставьте номер — наш эксперт перезвонит и подберёт нужные запчасти
Нажимая кнопку, вы соглашаетесь на обработку персональных данных
Наш эксперт свяжется с вами в ближайшее время
Скидка будет применена к вашему заказу