Популярные города
Товаров не найдено, но мы можем привезти под заказ
Нет аккаунта?
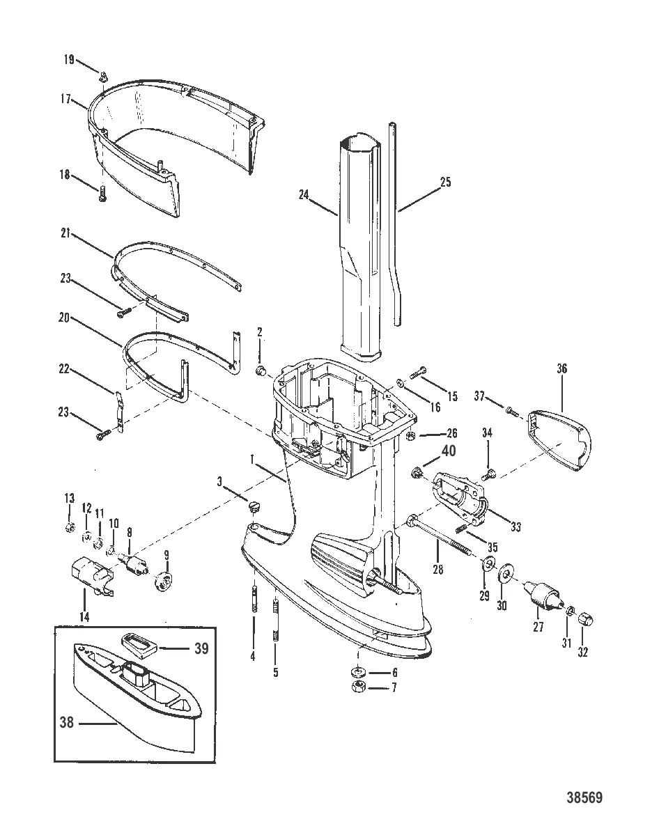
УДЛИНИТЕЛЬ В СБОРЕ Mercury 98858A1
98858A1
уплотнитель @2 Mercury 37721001
37721 → 37721001
ГАЙКА Mercury 35521
35521
Уточняйте
1 397 ₽
290 ₽
15 проверенных доработок лодки ПВХ своими руками: усиление дна, мягкие сиденья, держатели удилищ, якорная система, подсветка и другие полезные идеи с ценами и инструкциями.
Рейтинг лучших колебалок и вертушек на щуку 2026 года: Mepps Syclops, Kuusamo Professor, Abu Garcia Atom, Aglia Long, Blue Fox Vibrax. Размеры, цвета, проводки по сезонам. ТОП-10 таблицы с рекомендациями.
Разбираем топливную систему лодочного мотора от бака до форсунки: фильтры, шланги, сепараторы, груша подкачки. Артикулы расходников Mercury, борьба с водой и старым бензином.
Контакты
+7 800 555-65-49
Бесплатно по России — нажмите, чтобы позвонить
Написать нам
Перезвоните мне
Оставьте номер — наш эксперт перезвонит и подберёт нужные запчасти
Нажимая кнопку, вы соглашаетесь на обработку персональных данных
Наш эксперт свяжется с вами в ближайшее время
Скидка будет применена к вашему заказу