Популярные города
Товаров не найдено, но мы можем привезти под заказ
Нет аккаунта?
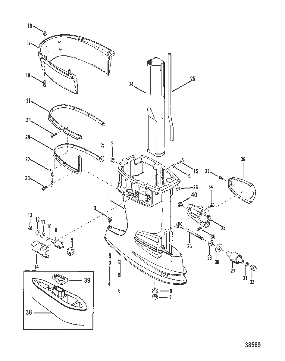
УДЛИНИТЕЛЬ В СБОРЕ Mercury 98858A1
98858A1
уплотнитель @2 Mercury 37721001
37721 → 37721001
ГАЙКА Mercury 35521
35521
Уточняйте
1 397 ₽
290 ₽
Полный регламент техобслуживания четырёхтактных Mercury — от первого ТО до расширенного. Таблицы по моделям, цены на расходники и работы, советы что делать самому.
Подробное сравнение двух главных брендов лодочных моторов: Mercury и Yamaha. Линейки моторов, цены на запчасти, стоимость обслуживания, расчёт владения за 5 лет и честный вердикт от практиков.
Всё о лодочных электромоторах Minn Kota: линейки Endura, Terrova, Ulterra. Как подобрать тягу, какой аккумулятор нужен, что такое Spot-Lock и i-Pilot.
Контакты
+7 800 555-65-49
Бесплатно по России — нажмите, чтобы позвонить
Написать нам
Перезвоните мне
Оставьте номер — наш эксперт перезвонит и подберёт нужные запчасти
Нажимая кнопку, вы соглашаетесь на обработку персональных данных
Наш эксперт свяжется с вами в ближайшее время
Скидка будет применена к вашему заказу