Корпус дроссельной заслонки (Правый борт) — [0T653945 & Up] - USA — купить в Victory Marine
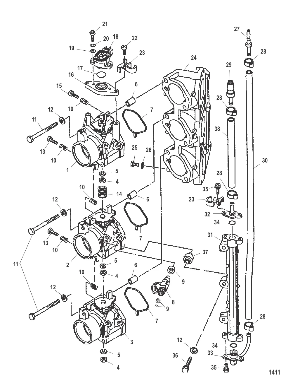
Корпус дроссельной заслонки (Правый борт)
4
5
6
7
8
10
11
12
13
14
15
16
17
19
20
21
22
23
24
25
26
27
28
29
30
32
33
34
35
36
37
38

Корпус дроссельной заслонки (Правый борт)

71 226 ₽

201 ₽

601 ₽

152 ₽

1 649 ₽

27 572 ₽

1 652 ₽

401 ₽

938 ₽

149 ₽

866 ₽

956 ₽

1 099 ₽

260 ₽

797 ₽

15 355 ₽

347 ₽

65 ₽

21 . ВИНТ Mercury 881502002

881502 → 881502002

542 ₽

325 ₽

1 834 ₽

81 770 ₽

315 ₽

121 ₽

2 993 ₽

1 208 ₽

6 789 ₽

8 498 ₽

41 569 ₽

10 356 ₽

17 349 ₽

560 ₽

433 ₽

662 ₽

1 630 ₽

3 108 ₽

Полезные статьи

Все статьи →
Связаться с нами