Компоненты усилителя дифферента Металлический корпус двигателя — [0P514869 THRU 0P593020] - Belgium — купить в Victory Marine
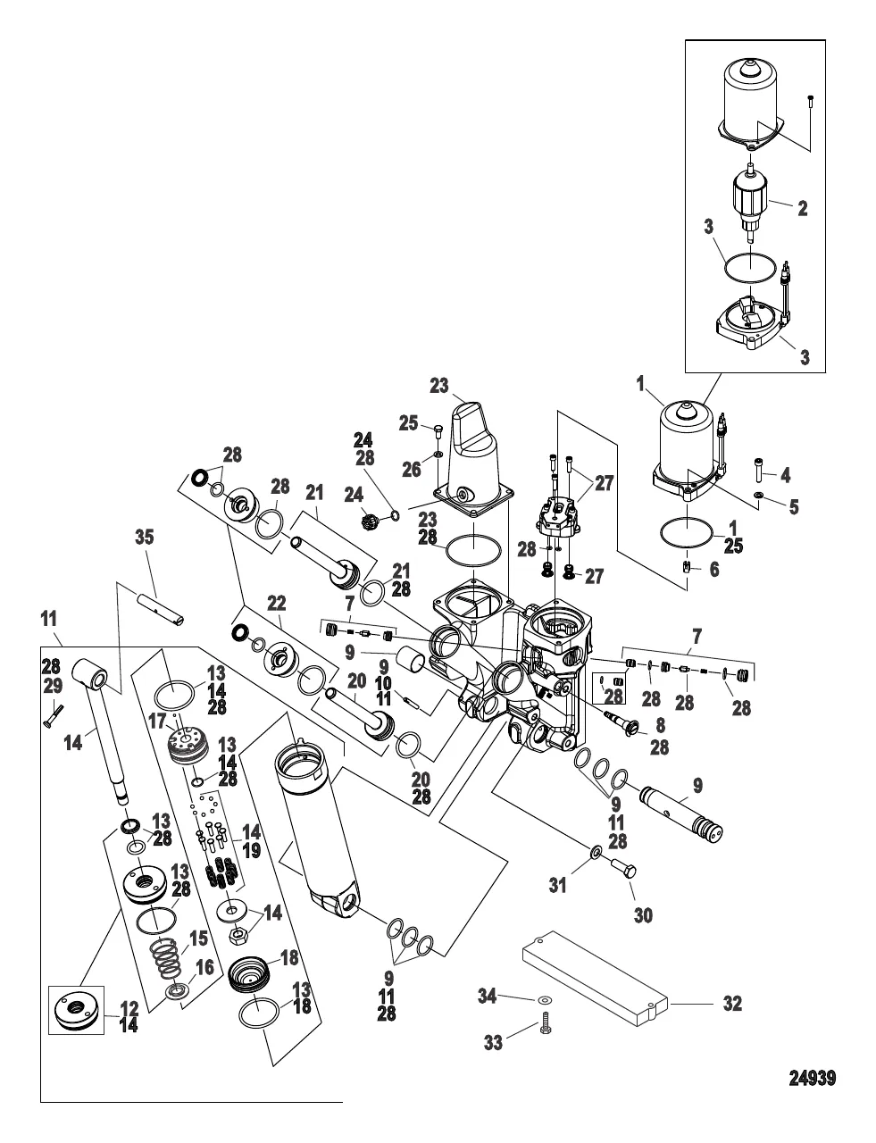
Компоненты усилителя дифферента Металлический корпус двигателя
4
5
6
7
9
10
11
17
20
23
25
27
29
30
31

Компоненты усилителя дифферента Металлический корпус двигателя

39 900 ₽

347 ₽

5 . Шайба 400256

16819 → 95303 → 400256

225 ₽

5 068 ₽

13 779 ₽

8 637 ₽

9 . TILT SHAFT KIT 8M0142997

878241A03 → 8M0142997

54 062 ₽

4 341 ₽

11 . CYLINDER KIT TILT 8M0168220

8M0142998 → 8M0168220

217 785 ₽

11 377 ₽

10 000 ₽

Уточняйте

8 249 ₽

8 740 ₽

40 581 ₽

21 . ПОРШЕНЬ В СБОРЕ Mercury 878413A1

43397T6 → 43397A6 → 43397A3 → 99628A1 → 878413A1

53 439 ₽

27 285 ₽

9 319 ₽

3 500 ₽

379 ₽

103 ₽

36 931 ₽

17 000 ₽

755 ₽

329 ₽

31 . ШАЙБА Mercury 4002319

4002219 → 809931072 → 4002319

347 ₽

33 . ВИНТ (M6 x 25) Mercury 4000330

16166 → 879194250 → 823042039 → 4000330

Уточняйте

113 ₽

2 803 ₽

Полезные статьи

Все статьи →
Связаться с нами