КОМПОНЕНТЫ УСИЛИТЕЛЯ ДИФФЕРЕНТА — [0A996142 THRU 0B240450] - USA — купить в Victory Marine
КОМПОНЕНТЫ УСИЛИТЕЛЯ ДИФФЕРЕНТА
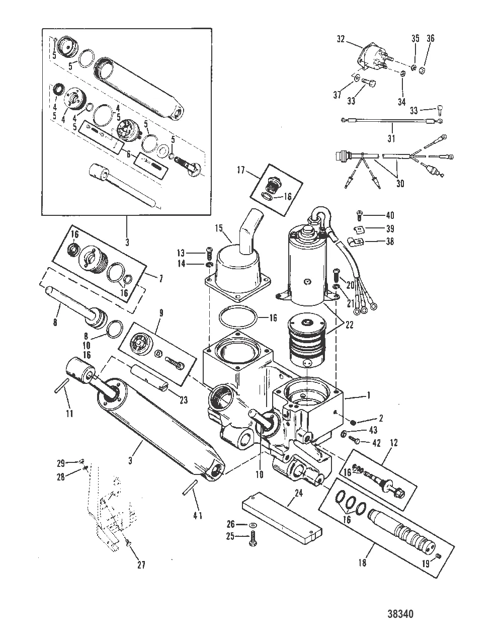
1
4
5
9
10
11
12
13
15
17
18
19
20
21
23
25
27
28
29
31
33
34
36
37
38
39
40
41
42

КОМПОНЕНТЫ УСИЛИТЕЛЯ ДИФФЕРЕНТА

Уточняйте

Уточняйте

Уточняйте

13 797 ₽

13 602 ₽

Уточняйте

27 285 ₽

8 . ПОРШЕНЬ В СБОРЕ Mercury 878413A1

43397T6 → 43397A6 → 43397A3 → 99628A1 → 878413A1

53 439 ₽

1 155 ₽

40 581 ₽

755 ₽

776 ₽

379 ₽

103 ₽

16 730 ₽

16 . уплотнительное кольцо KIT Mercury 48462A4

48462A3 → 48462A2 → 48462A1 → 48462A4

20 217 ₽

266 ₽

Уточняйте

4 109 ₽

298 ₽

21 . Шайба 400256

16819 → 95303 → 400256

225 ₽

22 . Комплект усилителя дифферента 826729A10

826729A09 → 826729A08 → 826729A07 → 826729A4 → 818186A6 → 818186A3 → 821821A2 → 826729A10

150 678 ₽

23 . ВАЛ Mercury 99625002

996251 → 99625002

3 089 ₽

254 ₽

113 ₽

1 623 ₽

258 ₽

571 ₽

4 767 ₽

229 ₽

1 064 ₽

4 500 ₽

223 ₽

225 ₽

109 ₽

36 . ГАЙКА (0.250-20) Mercury 64015

F1341 → F15051 → 64015

266 ₽

318 ₽

573 ₽

152 ₽

144 ₽

4 341 ₽

474 ₽

185 ₽

Полезные статьи

Все статьи →
Связаться с нами