КОМПОНЕНТЫ УСИЛИТЕЛЯ ДИФФЕРЕНТА — [0G245605 THRU 0G760299] - USA — купить в Victory Marine
КОМПОНЕНТЫ УСИЛИТЕЛЯ ДИФФЕРЕНТА
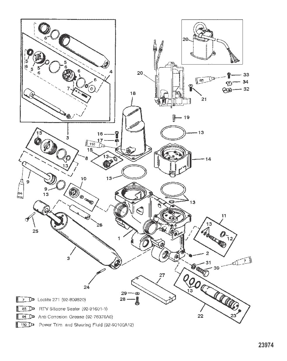
1
3
6
7
10
12
14
16
18
19
21
22
23
24
25
26
28
30
31
32
33
34

КОМПОНЕНТЫ УСИЛИТЕЛЯ ДИФФЕРЕНТА

104 657 ₽

3 . ORD 8M0078330 Mercury 880952A03

880952A02 → 880952A03

96 818 ₽

35 179 ₽

11 377 ₽

11 107 ₽

Уточняйте

27 285 ₽

9 . ПОРШЕНЬ В СБОРЕ Mercury 878413A1

43397T6 → 43397A6 → 43397A3 → 99628A1 → 878413A1

53 439 ₽

40 581 ₽

1 155 ₽

8 637 ₽

722 ₽

13 457 ₽

14 . НАСОС Mercury 811617T1

811617F → 811617T1

60 147 ₽

3 500 ₽

379 ₽

103 ₽

Уточняйте

2 704 ₽

Уточняйте

36 269 ₽

20 . RETROFIT KIT-TRIM Mercury 878265A6

878265A2 → 828708A1 → 811628 → 878265A6

72 950 ₽

Уточняйте

Уточняйте

2 514 ₽

22 . TILT SHAFT KIT 8M0142997

878241A03 → 8M0142997

54 062 ₽

4 109 ₽

4 341 ₽

755 ₽

26 . ВАЛ Mercury 99625002

996251 → 99625002

3 089 ₽

28 . ВИНТ (M6 x 25) Mercury 4000330

16166 → 879194250 → 823042039 → 4000330

Уточняйте

113 ₽

474 ₽

31 . ШАЙБА Mercury 4002319

4002219 → 809931072 → 4002319

347 ₽

574 ₽

32 . ЗАЖИМ Mercury 26550

F749384 → 26550

544 ₽

144 ₽

335 ₽

152 ₽

Полезные статьи

Все статьи →
Связаться с нами