Компоненты системы зажигания — [0P325500 & Up] - Belgium — купить в Victory Marine
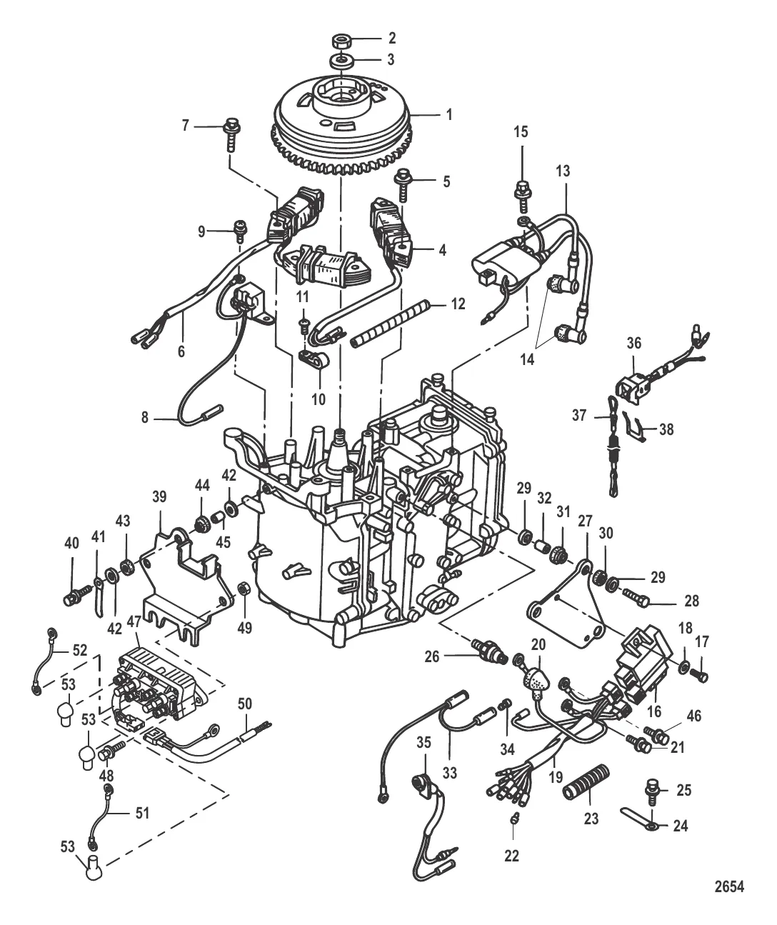
Компоненты системы зажигания
1
2
3
4
5
6
7
9
10
12
13
14
15
16
17
19
20
23
27
33
34
35
37
38
39
40
41
42
43
44
45
46
50
51
52
53

Компоненты системы зажигания

76 973 ₽

27 068 ₽

229 ₽

3 . ШАЙБА Mercury 16072

809931084 → 16072

180 ₽

12 368 ₽

5 . БОЛТ Mercury 879194264

82304224 → 879194264

159 ₽

16 776 ₽

7 . Болт 8248324

82304213 → 804368 → 8248324

194 ₽

7 246 ₽

9 . ВИНТ Mercury 8M0051381

878388 → 8M0051381

269 ₽

10 . зажим Mercury 8M0130961

95306 → 8M0130961

126 ₽

1 161 ₽

11 024 ₽

14 . BOOT Mercury 803560001

803560 → 803560001

1 131 ₽

15 . БОЛТ Mercury 823042

879194263 → 825702002 → 823042

238 ₽

17 339 ₽

32 630 ₽

212 ₽

15 771 ₽

352 ₽

409 ₽

3 700 ₽

861 ₽

28 . ВИНТ (M6 x 25) Mercury 4000330

16166 → 879194250 → 823042039 → 4000330

Уточняйте

1 270 ₽

34 . ПРОБКА Mercury 853994

853994001 → 853994

230 ₽

1 828 ₽

5 039 ₽

12 093 ₽

37 . LANYARD ASSEMBLY 15920Q54

15920A54 → 86352 → 15920Q54

1 262 ₽

719 ₽

3 898 ₽

40 . БОЛТ Mercury 879194249

823042040 → 879194249

Уточняйте

41 . ЗАЖИМ Mercury 803563005

8035631 → 803563 → 803563005

387 ₽

42 . Шайба 953921

16237 → 16224 → 953921

284 ₽

157 ₽

140 ₽

251 ₽

46 . БОЛТ (M6 x 12) Mercury 8230427

879194261 → 82304234 → 8230427

171 ₽

36 839 ₽

286 ₽

257 ₽

3 916 ₽

535 ₽

581 ₽

179 ₽

Полезные статьи

Все статьи →
Связаться с нами