КОМПОНЕНТЫ СИСТЕМЫ ВПРЫСКИВАНИЯ МАСЛА — [9483121 THRU 9506480] - Belgium — купить в Victory Marine
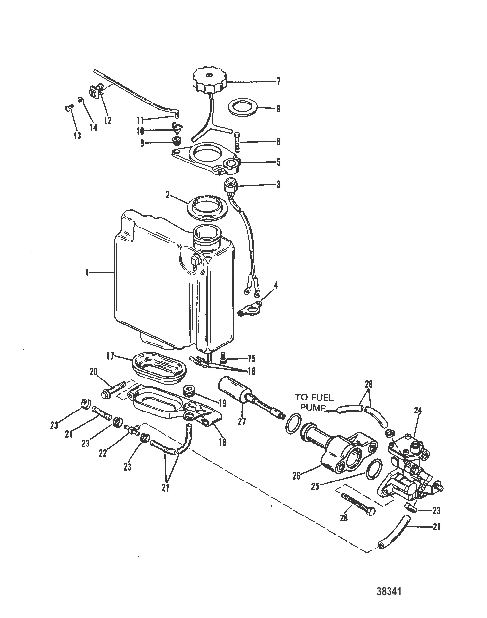
КОМПОНЕНТЫ СИСТЕМЫ ВПРЫСКИВАНИЯ МАСЛА
1
2
4
7
8
9
10
11
12
13
14
15
16
17
19
22
23
24
25
26
27
28

КОМПОНЕНТЫ СИСТЕМЫ ВПРЫСКИВАНИЯ МАСЛА

15 847 ₽

2 . ЧЕХОЛ Mercury 99160001

99160 → 99160001

1 084 ₽

1 661 ₽

Уточняйте

Уточняйте

862 ₽

7 . КОЛПАЧОК В СБОРЕ Mercury 42653A3

42653A2 → 42653A1 → 42653A3

3 607 ₽

842 ₽

1 724 ₽

1 899 ₽

Уточняйте

Уточняйте

136 ₽

238 ₽

133 ₽

5 008 ₽

Уточняйте

Уточняйте

509 ₽

Уточняйте

21 . ТРУБОПРОВОД (Общая длина 25.00") Mercury 82381455

82381451 → 82381436 → 4301736 → 4301715 → 42544 → 82381455

2 521 ₽

506 ₽

45 ₽

49 612 ₽

25 . Кольцо 62705

F748342 → 62705

44 ₽

26 . ADAPTOR ASSY Mercury 17335A4

42945A1 → 17335A4

Уточняйте

Уточняйте

291 ₽

1 324 ₽

Полезные статьи

Все статьи →
Связаться с нами