КОМПОНЕНТЫ СИСТЕМЫ ВПРЫСКИВАНИЯ МАСЛА — [9483121 THRU 9506480] - Belgium — купить в Victory Marine
КОМПОНЕНТЫ СИСТЕМЫ ВПРЫСКИВАНИЯ МАСЛА
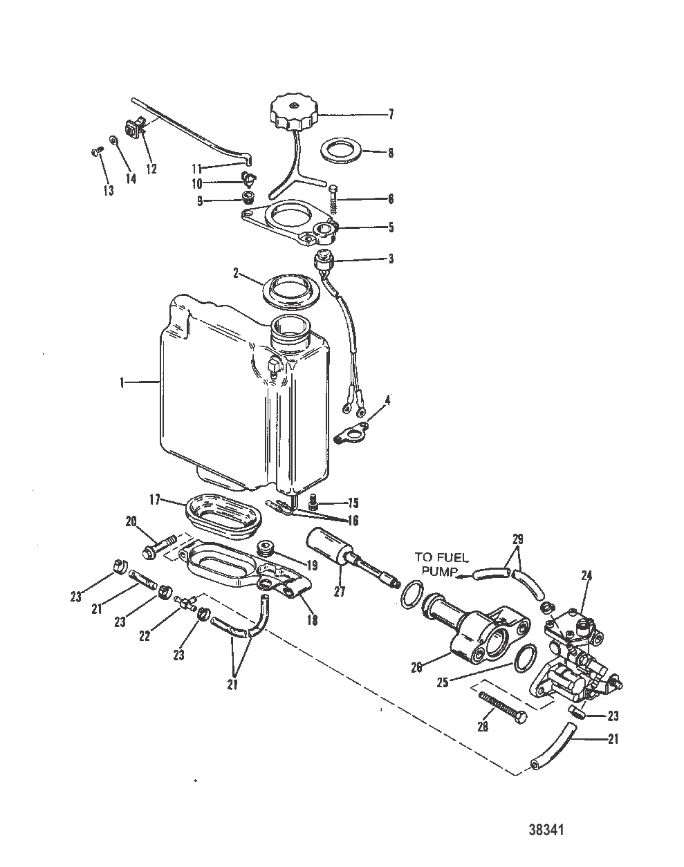
1
2
4
7
8
9
10
11
12
13
14
15
16
17
19
22
23
24
25
26
27
28

КОМПОНЕНТЫ СИСТЕМЫ ВПРЫСКИВАНИЯ МАСЛА

15 847 ₽

2 . ЧЕХОЛ Mercury 99160001

99160 → 99160001

1 084 ₽

1 661 ₽

Уточняйте

Уточняйте

862 ₽

7 . КОЛПАЧОК В СБОРЕ Mercury 42653A3

42653A2 → 42653A1 → 42653A3

3 607 ₽

842 ₽

1 724 ₽

1 899 ₽

Уточняйте

Уточняйте

136 ₽

238 ₽

133 ₽

5 008 ₽

Уточняйте

Уточняйте

509 ₽

Уточняйте

21 . ТРУБОПРОВОД (Общая длина 25.00") Mercury 82381455

82381451 → 82381436 → 4301736 → 4301715 → 42544 → 82381455

2 521 ₽

506 ₽

45 ₽

49 612 ₽

25 . Кольцо 62705

F748342 → 62705

44 ₽

26 . ADAPTOR ASSY Mercury 17335A4

42945A1 → 17335A4

Уточняйте

Уточняйте

291 ₽

1 324 ₽

Полезные статьи

Все статьи →
Гайды и подбор

Права на управление лодкой ГИМС — обучение, экзамен и получение удостоверения

Кому нужны права ГИМС, как проходит обучение и экзамен, какие документы собирать и сколько всё это стоит. Разбираем категории судов, нюансы получения и продления удостоверения судоводителя.

1 мин.
Гайды и подбор

Леска, плетёнка или флюорокарбон — что выбрать для спиннинга и донки

Подробно разбираем три типа рыболовных лесок — монофильную, плетёную и флюорокарбоновую. Сравниваем растяжимость, прочность, видимость и цену, чтобы вы точно знали, что намотать на катушку.

1 мин.
Гайды и подбор

Расход топлива лодочных моторов Mercury и Tohatsu — полная таблица

Таблицы расхода топлива моторов Mercury, Tohatsu и MerCruiser при разных оборотах. Что влияет на расход, какой бензин заливать, как рассчитать запас на поездку и снизить потребление горючего.

1 мин.
Связаться с нами