Компоненты системы электрического пуска — [0N001590 THRU 0N055284] — купить в Victory Marine
Компоненты системы электрического пуска
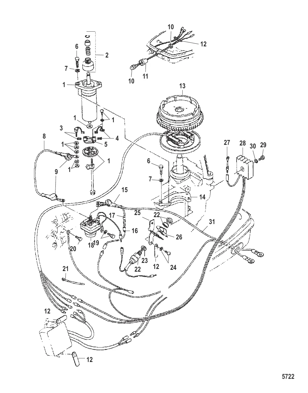
1
2
3
4
5
6
7
8
9
10
11
12
13
14
15
16
17
18
19
20
21
22
23
24
25
26
27
28
29
30
31

Компоненты системы электрического пуска

1 . MOTOR Mercury 803835T01

803835A1 → 803835T01

77 031 ₽

26 354 ₽

4 847 ₽

4 867 ₽

7 875 ₽

6 . БОЛТ Mercury 161267

804978 → 161267

316 ₽

129 ₽

8 . GROUND CABLE Mercury 8M0069818

8538151 → 8M0069818

3 624 ₽

436 ₽

3 313 ₽

536 ₽

12 . ЗАЖИМ Mercury 803563005

8035631 → 803563 → 803563005

387 ₽

48 826 ₽

5 531 ₽

437 ₽

2 307 ₽

710 ₽

7 970 ₽

185 ₽

205 ₽

28 ₽

5 198 ₽

216 ₽

179 ₽

685 ₽

1 095 ₽

427 ₽

11 855 ₽

185 ₽

113 ₽

1 483 ₽

Полезные статьи

Все статьи →
Связаться с нами