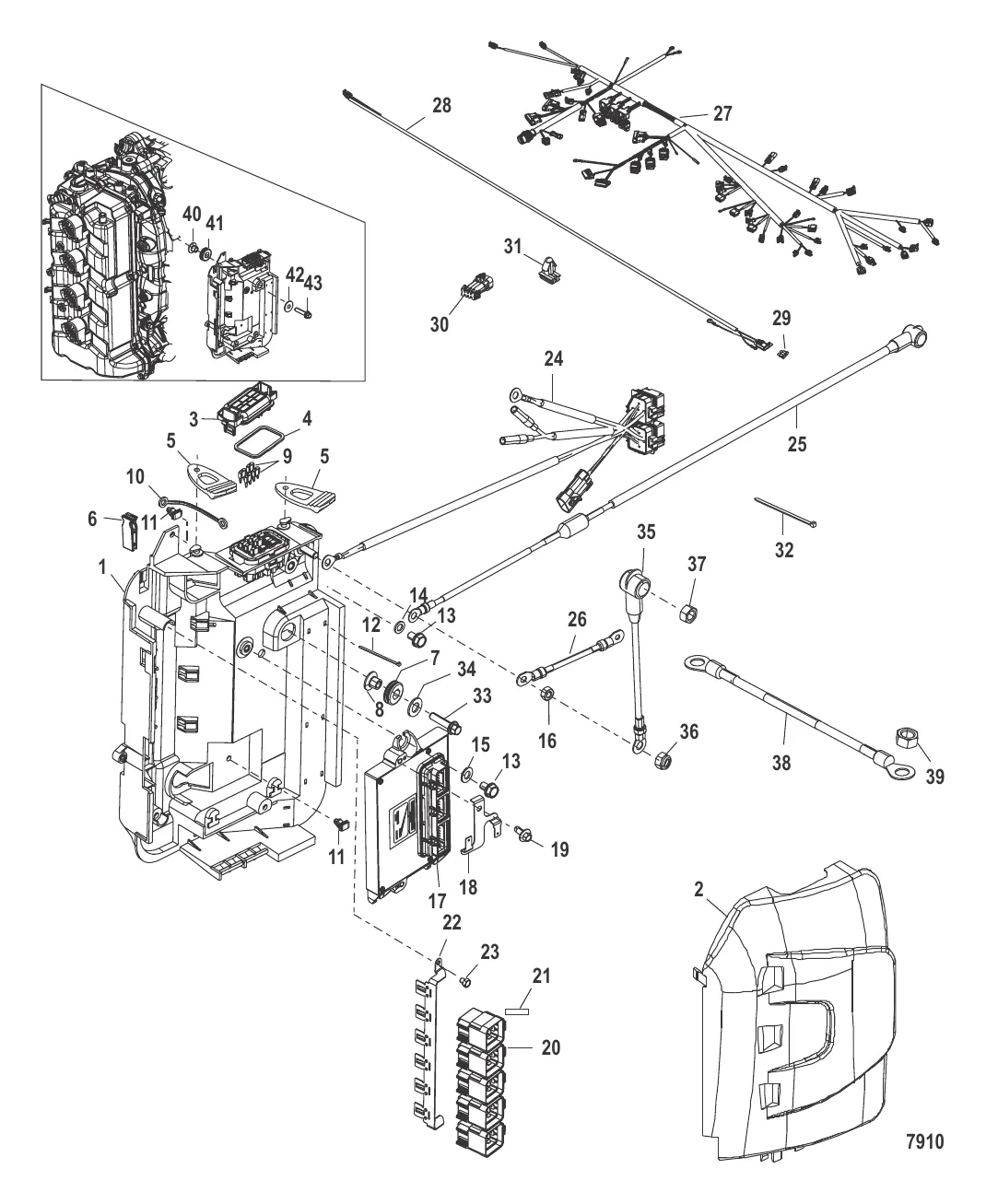
Компоненты распределительной коробки — [0P464488 THRU 0P514868] - Belgium — купить в Victory Marine
Компоненты распределительной коробки
1
3
4
5
6
9
10
11
12
13
16
18
19
20
21
22
23
26
27
31
32
36
37
39
40
41
43

Компоненты распределительной коробки

1 . BASE Mercury 896230T02

896230T01 → 896230T02

34 007 ₽

450 ₽

220 ₽

227 ₽

256 ₽

1 168 ₽

248 ₽

316 ₽

204 ₽

78 ₽

342 ₽

133 ₽

269 ₽

951 418 ₽

971 930 ₽

971 930 ₽

1 057 807 ₽

1 092 707 ₽

1 135 596 ₽

741 ₽

239 ₽

3 310 ₽

Уточняйте

2 752 ₽

283 ₽

11 046 ₽

15 781 ₽

4 136 ₽

27 . HARNESS ASSY-ENG Mercury 8M0132704

892579A05 → 8M0132704

165 384 ₽

7 873 ₽

429 ₽

147 ₽

45 ₽

369 ₽

37 . ГАЙКА (.375-16) Mercury 86226

F1346 → F1347 → FI3600004 → 86226

218 ₽

39 . ГАЙКА (0.312-18) Mercury 68292

F1349 → F1330 → 68292

197 ₽

426 ₽

583 ₽

201 ₽

561 ₽

Полезные статьи

Все статьи →
Связаться с нами