Компоненты распределительной коробки — [0T980000 THRU 1B226999] - USA — купить в Victory Marine
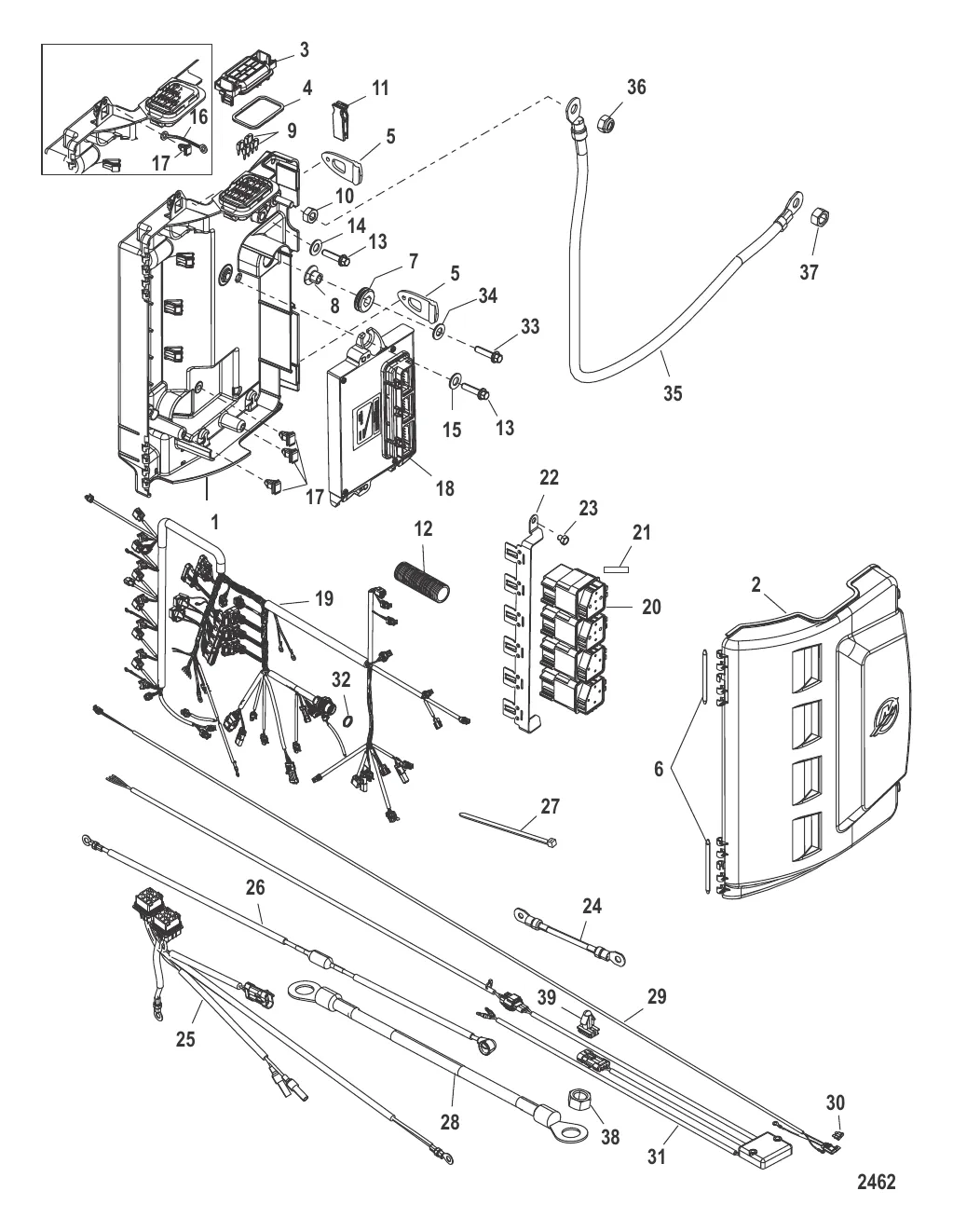
Компоненты распределительной коробки
2
3
4
5
6
7
8
9
10
11
13
16
17
18
20
21
22
23
24
26
27
32
33
36
37
38
39

Компоненты распределительной коробки

42 318 ₽

29 725 ₽

450 ₽

220 ₽

227 ₽

726 ₽

583 ₽

426 ₽

1 168 ₽

269 ₽

256 ₽

328 ₽

133 ₽

316 ₽

204 ₽

18 . PCM Mercury 89790720T

88924646T → 89790720T

1 195 980 ₽

18 . PCM Mercury 89790717T

88924640T → 89790717T

1 208 913 ₽

18 . PCM Mercury 89790718T

88924642T → 89790718T

1 310 425 ₽

18 . PCM Mercury 89790719T

88924644T → 89790719T

1 271 785 ₽

448 898 ₽

3 310 ₽

Уточняйте

2 752 ₽

283 ₽

3 571 ₽

10 655 ₽

26 . HARNESS ASSY Mercury 892137A02

892137A01 → 892137A02

14 962 ₽

78 ₽

45 ₽

7 873 ₽

429 ₽

7 660 ₽

740 ₽

561 ₽

201 ₽

369 ₽

37 . ГАЙКА (.375-16) Mercury 86226

F1346 → F1347 → FI3600004 → 86226

218 ₽

38 . ГАЙКА (0.312-18) Mercury 68292

F1349 → F1330 → 68292

197 ₽

147 ₽

Полезные статьи

Все статьи →
Связаться с нами