Компоненты форсунки и руля (Конструкция I) — [0E369300 THRU 0E433153] - USA — купить в Victory Marine
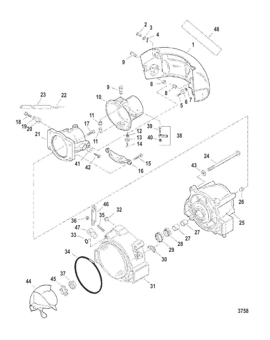
Компоненты форсунки и руля (Конструкция I)
2
4
6
9
10
11
12
14
16
18
19
20
21
22
23
24
25
26
27
28
29
30
33
34
35
36
37
38
39
41
42
44
45
46
47
48

Компоненты форсунки и руля (Конструкция I)

112 543 ₽

1 102 ₽

113 ₽

467 ₽

6 . АНОД Mercury 8205031

820503 → 8205031

1 253 ₽

2 808 ₽

69 704 ₽

1 830 ₽

190 ₽

324 ₽

16 . АНОД Mercury 856581C

833163A2 → 856581C

10 953 ₽

329 ₽

144 ₽

4 928 ₽

53 824 ₽

1 724 ₽

402 ₽

24 . винт Mercury 8M0051562

859436 → 8M0051562

4 082 ₽

360 596 ₽

613 ₽

3 314 ₽

3 996 ₽

4 023 ₽

1 974 ₽

145 677 ₽

767 ₽

233 ₽

2 420 ₽

7 101 ₽

442 ₽

7 147 ₽

8 112 ₽

1 220 ₽

2 265 ₽

599 ₽

300 ₽

44 . Крыльчатка 835452T

835452A1 → 835452T

111 500 ₽

14 811 ₽

4 323 ₽

3 791 ₽

3 151 ₽

Полезные статьи

Все статьи →
Связаться с нами