Компоненты электрической панели С/н 1E051474 и выше — [1E001867 THRU 1E052057] - USA — купить в Victory Marine
Компоненты электрической панели С/н 1E051474 и выше
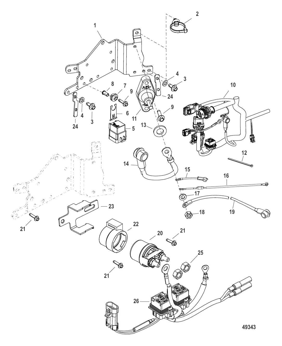
1
2
3
6
7
8
9
11
12
13
14
15
17
21
22
23
24
25

Компоненты электрической панели С/н 1E051474 и выше

3 203 ₽

438 ₽

239 ₽

113 ₽

3 600 ₽

575 ₽

392 ₽

140 ₽

383 ₽

156 040 ₽

4 395 ₽

45 ₽

438 ₽

3 983 ₽

3 571 ₽

134 ₽

269 ₽

20 . Соленоид 825096T01

825096T → 825096 → 95642M → 96356M → 84932M → 825096T01

7 402 ₽

265 ₽

3 561 ₽

Уточняйте

1 940 ₽

442 ₽

16 784 ₽

Полезные статьи

Все статьи →
Обслуживание и ремонт

Электросхема лодочного мотора Mercury: популярные модели

Подробный разбор электросхем лодочных моторов Mercury — от простых 9.9/15 двухтактных до мощных 150-200 четырёхтактных. Цветовая маркировка проводов, система зажигания, зарядки и запуска. Диагностика мультиметром, типичные неисправности и когда пора к электрику.

3 мин.
Гайды и подбор

Картплоттер и GPS-навигатор для лодки — как выбрать и не переплатить

Чем картплоттер отличается от GPS-навигатора, какой размер экрана нужен, что выбрать из Lowrance, Garmin и Humminbird. Разбираемся в картах, функциях и ценах без маркетинговой воды.

1 мин.
Гайды и подбор

Тахометр для лодочного мотора: как выбрать, установить и настроить

Разбираемся, зачем лодке тахометр, какие бывают — от стрелочных за 2000 до SmartCraft SC1000 за 25000, как подключить и настроить импульсы под свой мотор.

1 мин.
Связаться с нами