Компоненты электрической панели — [1E051824 THRU 1E052994] - USA — купить в Victory Marine
Компоненты электрической панели
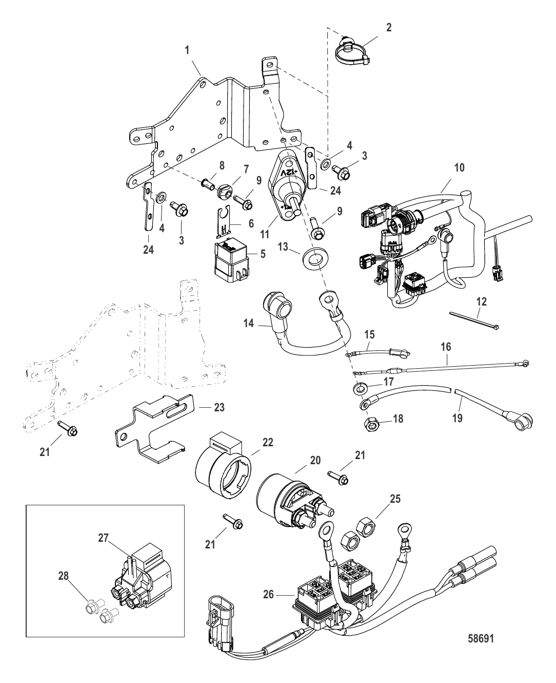
1
2
3
6
7
8
9
11
12
13
14
15
17
18
21
22
23
24
25
27
28

Компоненты электрической панели

3 203 ₽

438 ₽

239 ₽

113 ₽

3 600 ₽

575 ₽

392 ₽

140 ₽

383 ₽

156 040 ₽

4 395 ₽

45 ₽

438 ₽

3 983 ₽

3 571 ₽

15 036 ₽

134 ₽

269 ₽

20 . Соленоид 825096T01

825096T → 825096 → 95642M → 96356M → 84932M → 825096T01

7 402 ₽

265 ₽

3 561 ₽

Уточняйте

1 940 ₽

442 ₽

16 784 ₽

6 371 ₽

55 ₽

Полезные статьи

Все статьи →
Обслуживание и ремонт

Ремонт лодки ПВХ своими руками — как заклеить прокол, порез и шов

Подробная инструкция по ремонту лодки ПВХ: выбор клея, заплатки, горячий и холодный метод склейки. Разбираем типичные повреждения и рассказываем, когда можно починить самому, а когда лучше к мастеру.

1 мин.
Обслуживание и ремонт

Зимнее хранение лодки и мотора — чек-лист

Полный чек-лист зимней консервации лодки, мотора и электроники. 40+ пунктов: от промывки охлаждения до правильного хранения аккумулятора. Типичные ошибки и итоговая таблица для печати.

2 мин.
Гайды и подбор

Оснастка для троллинга — даунриггеры, планерные доски и держатели удилищ

Разбираем серьёзную оснастку для троллинга: даунриггеры Scotty и Cannon, планерные доски, мультиродовые сетапы и держатели удилищ. Конкретные модели, цены и схемы установки.

1 мин.
Связаться с нами