КОМПОНЕНТЫ ДЛЯ РУЧНОГО НАКЛОНА (КОНСТРУКЦИЯ I) — [9885385 THRU 9973099] - Belgium — купить в Victory Marine
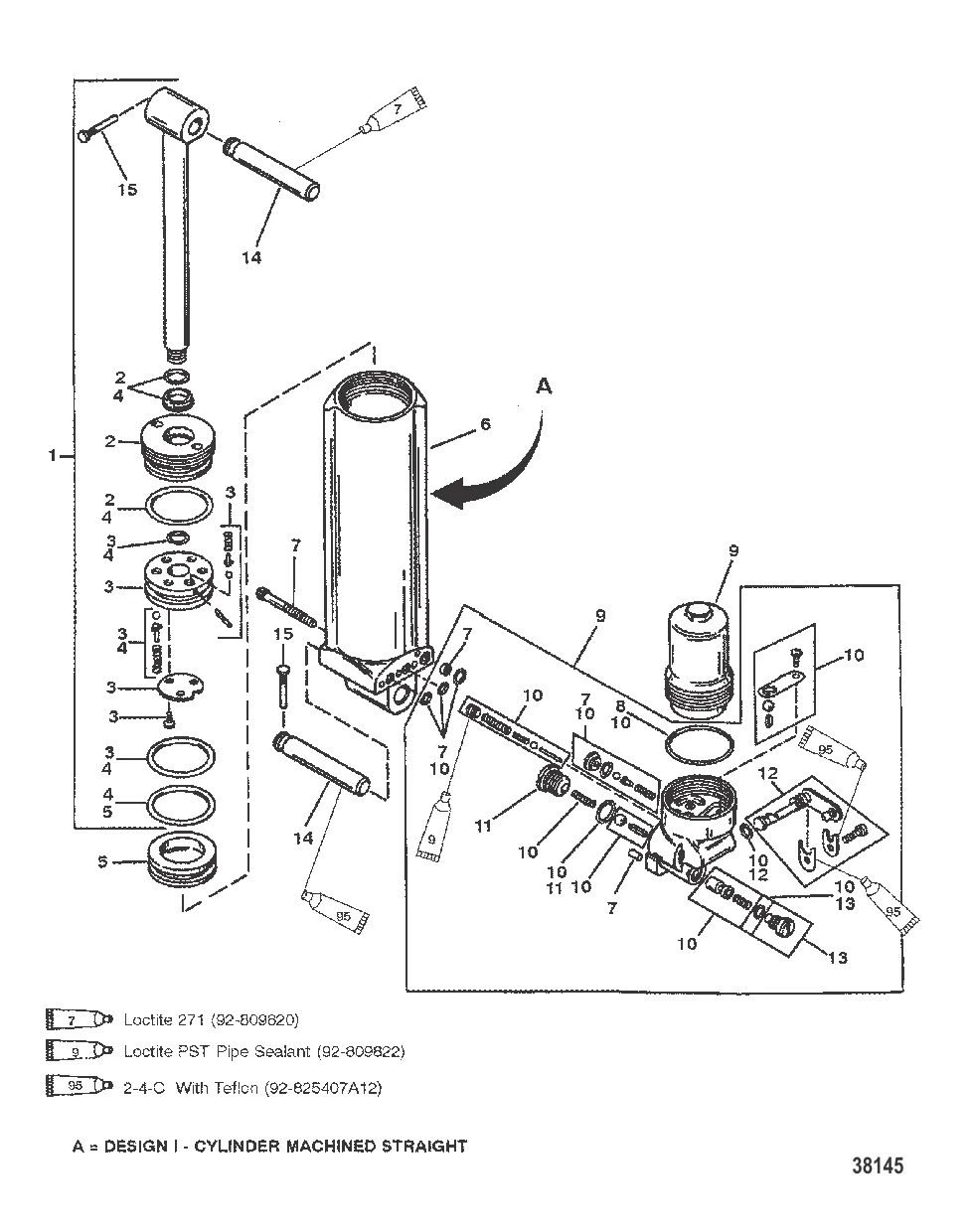
КОМПОНЕНТЫ ДЛЯ РУЧНОГО НАКЛОНА (КОНСТРУКЦИЯ I)
1
3
5
6
11
12
13
14
15

КОМПОНЕНТЫ ДЛЯ РУЧНОГО НАКЛОНА (КОНСТРУКЦИЯ I)

1 . SHOCK ROD KIT Mercury 893942A01

813427A5 → 893942A01

Уточняйте

1 . SHOCK ROD KIT Mercury 8M0118572

893941A01 → 8M0118572

Уточняйте

Уточняйте

Уточняйте

Уточняйте

Уточняйте

11 195 ₽

108 938 ₽

6 089 ₽

58 201 ₽

107 941 ₽

10 . РЕМОНТНЫЙ КОМПЛЕКТ Mercury 813456A4

813456A3 → 813456A2 → 813456A1 → 813456A4

12 030 ₽

Уточняйте

Уточняйте

Уточняйте

3 607 ₽

755 ₽

Полезные статьи

Все статьи →
Связаться с нами