Компоненты блока подачи воздуха — [0T801000 THRU 1B226999] - USA — купить в Victory Marine
Компоненты блока подачи воздуха
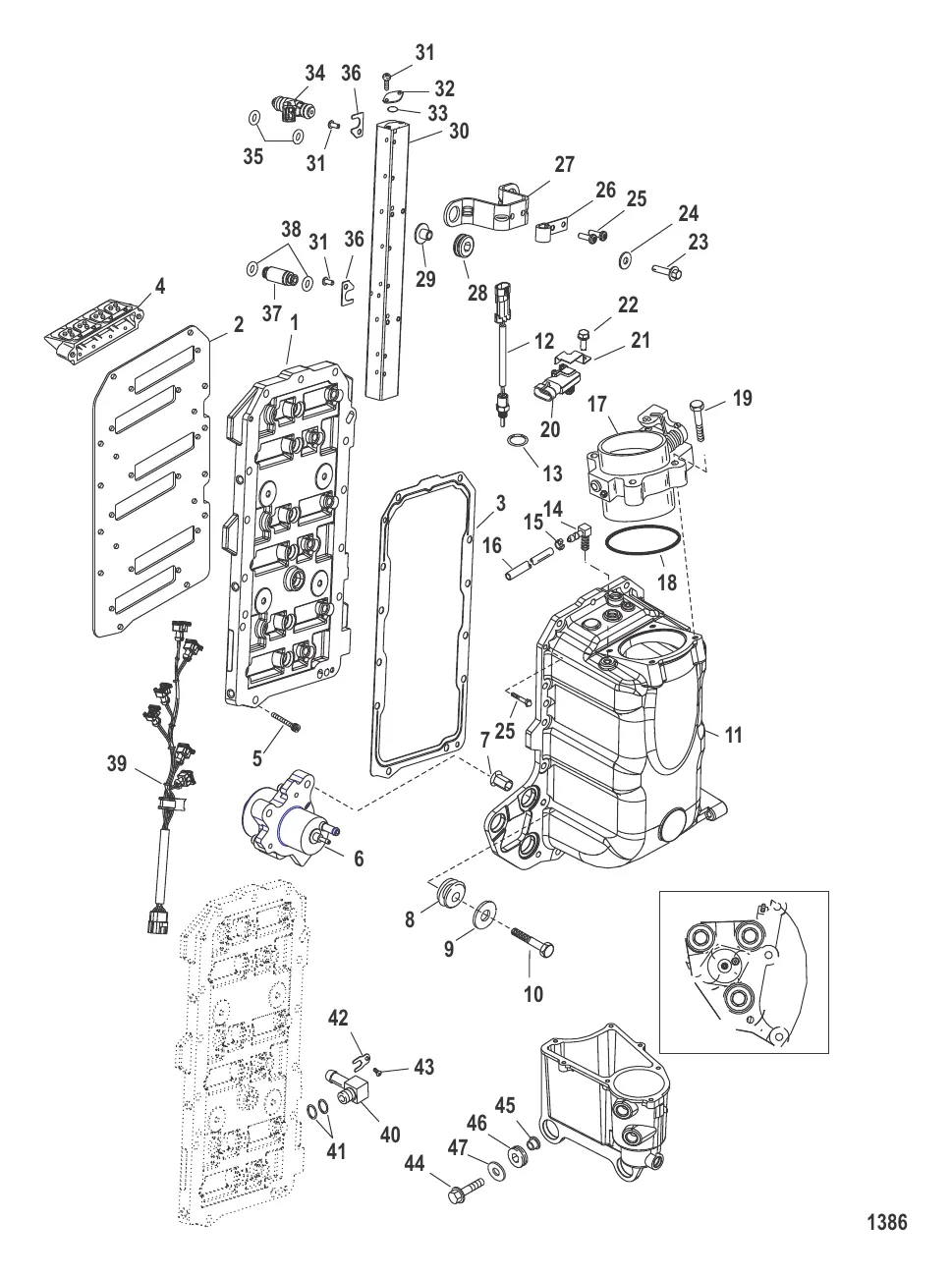
2
3
5
6
10
11
14
15
16
18
19
22
23
25
26
27
28
29
30
31
32
33
35
36
37
38
40
42
43
44
45
46

Компоненты блока подачи воздуха

Уточняйте

5 216 ₽

6 368 ₽

22 779 ₽

291 ₽

74 953 ₽

1 281 ₽

68 261 ₽

5 800 ₽

1 439 ₽

3 805 ₽

28 ₽

2 512 ₽

16 . РУКАВ Mercury 8M0054213

85583466 → 8M0054213

8 893 ₽

72 926 ₽

3 260 ₽

843 ₽

17 465 ₽

1 705 ₽

276 ₽

407 ₽

46 ₽

432 ₽

593 ₽

1 935 ₽

339 ₽

430 ₽

20 434 ₽

413 ₽

1 941 ₽

33 . Кольцо 627021

62702 → 22175 → 627021

171 ₽

Уточняйте

110 ₽

8 278 ₽

265 ₽

53 273 ₽

4 133 ₽

195 ₽

1 565 ₽

275 ₽

540 ₽

891 ₽

392 ₽

201 ₽

Полезные статьи

Все статьи →
Связаться с нами